上级...

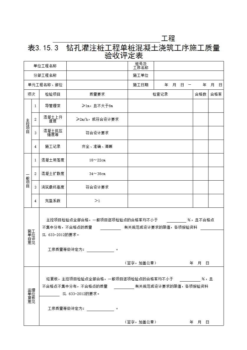
表3.15.3 钻孔灌注桩工程单桩混凝土浇筑工序施工质量验收评定表

填写规范


表3.15.3  钻孔灌注桩工程单桩混凝土浇筑工序施工质量验收评定表填表要求

  填表时必须遵守“填表基本规定”,并应符合下列要求:
  1.单位工程、分部工程、单元工程名称及部位填写应与表3.15相同。
  2.各检验项目的检验方法及检验数量按表C-34的要求执行。

  3.工序施工质量验收评定应提交下列资料:
  (1)施工单位各班(组)初检记录、施工队复检记录、施工单位专职质检员终检记录,工序中各施工质量检验项目的检验资料,施工中的见证取样检验及记录结果资料。
  (2)监理单位对工序中施工质量检验项目的平行检测资料。
  4.工序质量标准:
  (1)合格等级标准:
   1)主控项目,检验结果应全部符合SL 633-2012的要求。
   2)一般项目,应逐项有70%及以上的检验点合格,且不合格点不应集中分布,不合格点的质量不应超出有关规范或设计要求的限值。
   3)各项报验资料应符合SL 633-2012的要求。
  (2)优良等级标准:
   1)主控项目,检验结果应全部符合SL 633-2012的要求。
   2)一般项目,应逐项有90%及以上的检验点合格,且不合格点不应集中分布,不合格点的质量不应超出有关规范或设计要求的限值。
   3)各项报验资料应符合SL 633-2012的要求。