|
云上资料软件
登录
/
注册
免费注册
登录
首页
软件下载
购买
首页
资料软件
(下载)
云上资料软件
(下载)
在线表格
求职招聘
服务平台
那云知道
当前位置:
表格库
>
浙江
>
市政
>
浙江省公路工程施工监理统一用表(2013年修订)
>
第三部分 监理质量抽检评定用表
>
二、ZP106 分项工程现场质量检验评定表
>
第8章节 桥梁工程
>
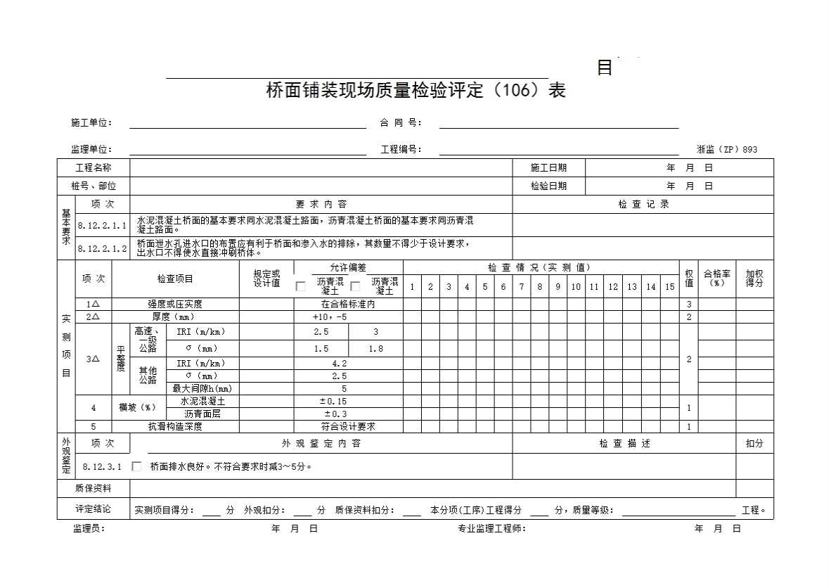
893 桥面铺装现场质量检验评定(106)表
上级...
893 桥面铺装现场质量检验评定(106)表
表格
下载表格
点击领取首张表格excel
点击查看大图
下载表格
点击领取首张表格excel
×
下载表格
表格名称:893 桥面铺装现场质量检验评定(106)表
所需N币:
N币
(我有
)N币)
您的N币不足,请先充值。
充值N币
充值N币
下载
取消
×
分享页面
QQ分享
空间分享
微信分享
微博分享