|
云上资料软件
登录
/
注册
免费注册
登录
首页
软件下载
购买
首页
资料软件
(下载)
云上资料软件
(下载)
在线表格
求职招聘
服务平台
那云知道
当前位置:
表格库
>
浙江
>
工业设备及管道
>
化学工业工程建设交工技术文件规定HG T 20237-2014
>
附录A 化学工业工程建设级交工技术文件表格
>
A.1 通用类级交工技术文件表格
>
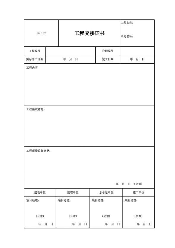
HA-107 工程交接证书
上级...
HA-107 工程交接证书
表格
下载表格
点击领取首张表格excel
点击查看大图
下载表格
点击领取首张表格excel
×
下载表格
表格名称:HA-107 工程交接证书
所需N币:
N币
(我有
)N币)
您的N币不足,请先充值。
充值N币
充值N币
下载
取消
×
分享页面
QQ分享
空间分享
微信分享
微博分享