|
云上资料软件
登录
/
注册
免费注册
登录
首页
软件下载
购买
首页
资料软件
(下载)
云上资料软件
(下载)
在线表格
求职招聘
服务平台
那云知道
当前位置:
表格库
>
浙江
>
公路
>
5 桥梁工程
>
40 悬臂拼装的桁架拱
>
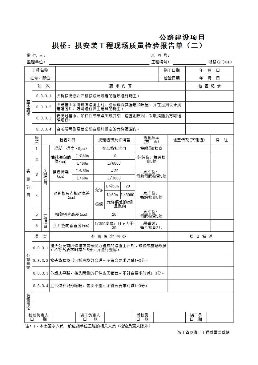
ZJ840拱桥:拱安装工程现场质量检验报告单(二)
上级...
ZJ840拱桥:拱安装工程现场质量检验报告单(二)
表格
下载表格
点击领取首张表格excel
点击查看大图
下载表格
点击领取首张表格excel
×
下载表格
表格名称:ZJ840拱桥:拱安装工程现场质量检验报告单(二)
所需N币:
N币
(我有
)N币)
您的N币不足,请先充值。
充值N币
充值N币
下载
取消
×
分享页面
QQ分享
空间分享
微信分享
微博分享