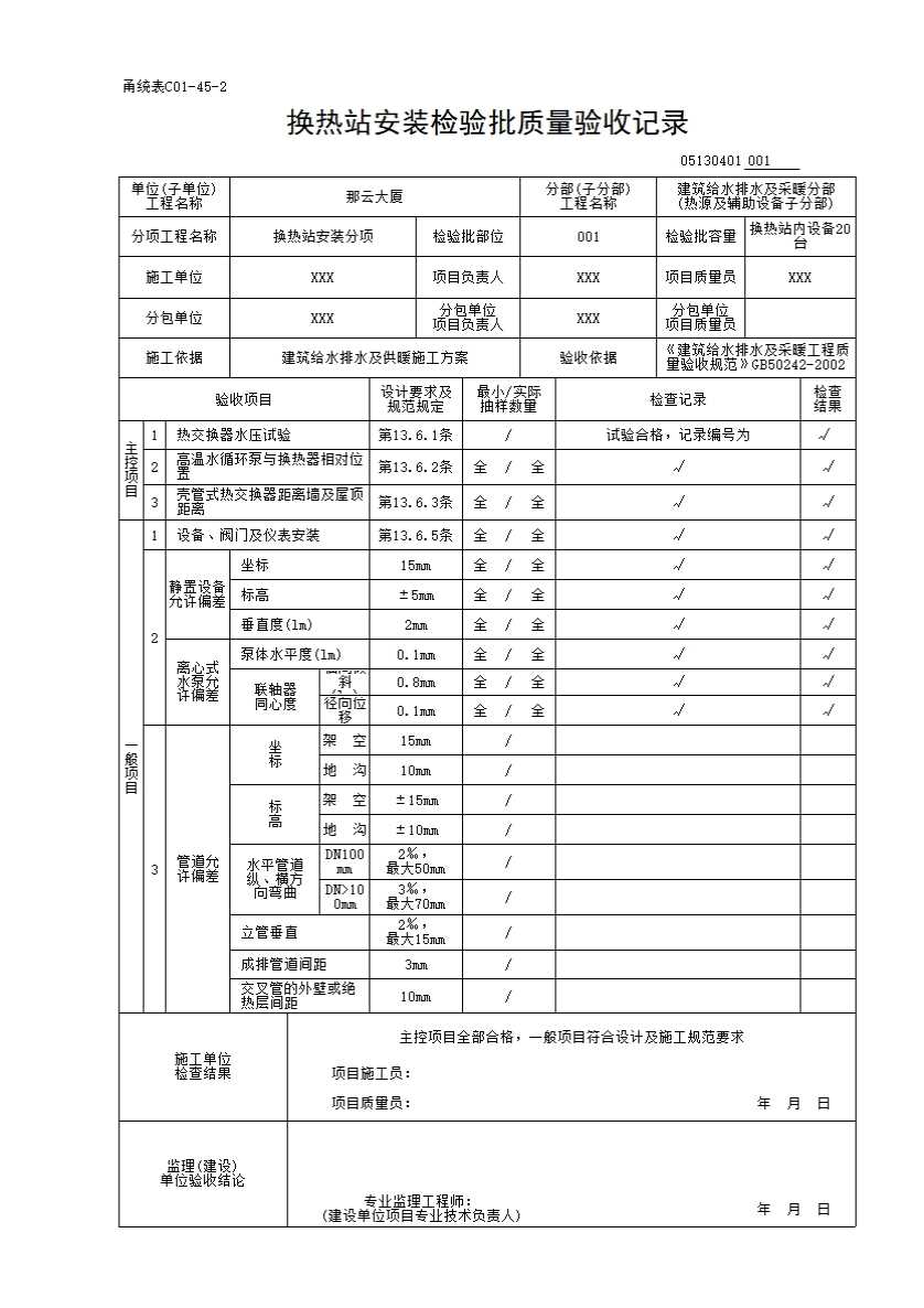
换热站安装检验批质量验收记录
一、检验批划分
按设计系统、楼层、施工段或分部分项划为检验批。
二、主控项目
13.6.1 热交换器应以最大工作压力的1.5倍作水压试验,蒸汽部分应不低于蒸汽供汽压力加0.3MPa;热水部分应不低于0.4MPa。检验方法:在试验压力下,保持10min压力不降。
13.6.2 高温水系统中,循环水泵和换热器的相对安装位置应按设计文件施工。
检验方法:对照设计图纸检查。
13.6.3 壳管式热交换器的安装,如设计无要求时,其封头与墙壁或屋顶的距离不得小于换热管的长度。
检验方法:观察和尺量检查。
三、一般项目
13.6.4 换热站内设备安装的允许偏差应符合本规范表13.3.10的规定。
表13.3.10锅炉辅助设备安装抽允许偏差和检验方法
|
项次 |
项目 |
允许偏差 |
检验方法 |
||
|
1 |
送、引风机 |
坐标 |
10 |
经纬仪、拉线和尺量 |
|
|
标高 |
±5 |
水准仪、拉线和尺量 |
|||
|
2 |
各种静置设备(各种容器、箱、罐等) |
坐标 |
15 |
经纬仪、拉线和尺量 |
|
|
标高 |
±5 |
水准仪、拉线和尺量 |
|||
|
垂直度(1m) |
2 |
吊线和尺量 |
|||
|
3 |
离心式水泵 |
泵体水平度(1m) |
0.1 |
水平尺和塞尺检查 |
|
|
联轴器同心度 |
轴向倾斜(1m) |
0.8 |
水准仪、百分表(测微螺钉)和塞尺检查 |
||
|
径向位移 |
0.1 |
||||
13.6.5 换热站内的循环泵、调节阀、减压器、疏水器、除污器、流量计等安装应符合本规范的相关规定。
13.6.6换热站内管道安装的允许偏差应符合本规范表13.3.11的规定。
表13.3.11工艺管道安装的允许偏差和检验方法
|
项次 |
项目 |
允许偏差 |
检验方法 |
|
|
1 |
坐标 |
架空 |
15 |
水准仪、拉线和尺量 |
|
地沟 |
10 |
|||
|
2 |
标高 |
架空 |
±15 |
水准仪、拉线和尺量 |
|
地沟 |
±10 |
|||
|
3 |
水平管道纵、横方向弯曲 |
DN≤100mm |
2‰,最大50 |
直尺和拉线检查 |
|
DN>100mm |
3‰,最大70 |
|||
|
4 |
立管垂直 |
2‰,最大15 |
吊线和尺量 |
|
|
5 |
成排管道间距 |
3 |
直尺尺量 |
|
13.6.7管道及设备保温层的厚度和平整度的允许偏差应符合本规范表4.4.8的规定。
表4.4.8管道及设备保温的允许偏差和检验方法
|
项次 |
项目 |
允许偏差(mm) |
检验方法 |
|
|
1 |
厚度 |
+0.1δ—0.05δ |
用钢针刺入 |
|
|
2 |
表面平整度 |
卷材 |
5 |
用2m靠尺和楔形塞尺检查 |
|
涂抹 |
10 |
|||
注:δ为保温层厚度。