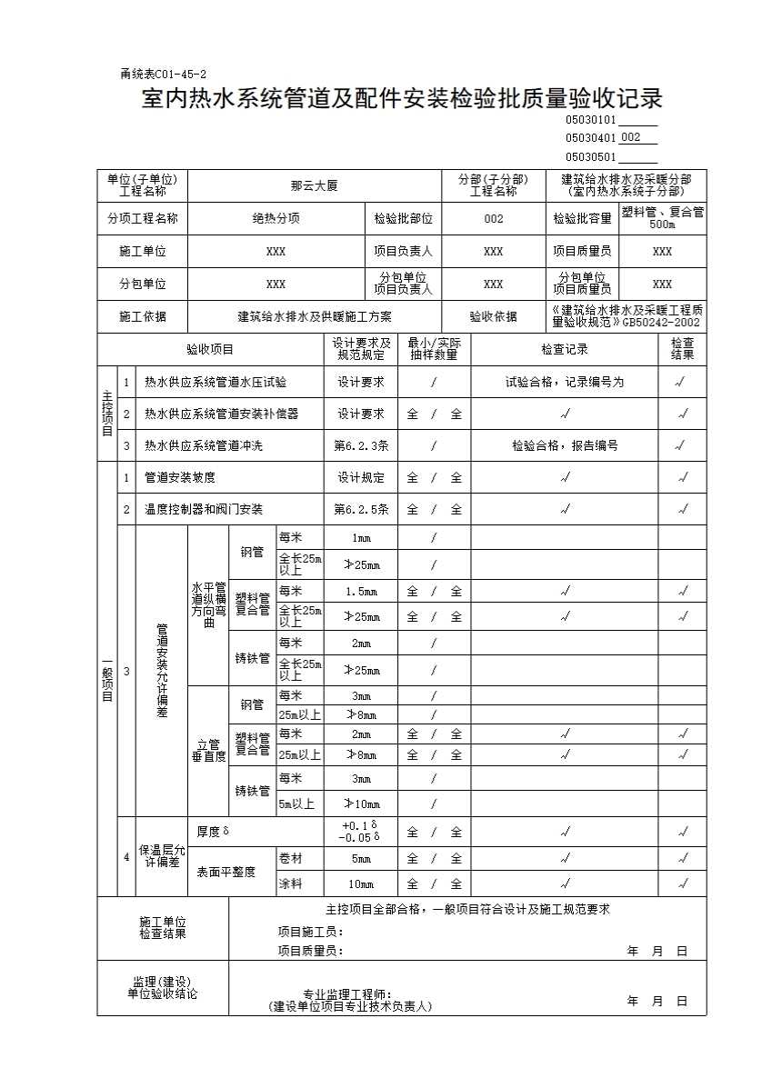
室内热水系统管道及配件安装检验批质量验收记录
一、检验批划分
按设计系统、楼层、施工段或分部分项划为检验批。
6.2.1 热水供应系统安装完毕,管道保温之前应进行水压试验。试验压力应符合设计要求。当设计未注明时,热水供应系统水压试验压力应为系统顶点的工作压力加0.1MPa,同时在系统顶点的试验压力不小于0.3MPa。
检验方法:钢管或复合管道系统试验压力下10min 内压力降不大于0.02MPa,然后降至工作压力检查,压力应不降,且不渗不漏;塑料管道系统在试验压力下稳压1h,压力降不得超过0.05MPa,然后在工作压力1.15 倍状态下稳压2h,压力降不得超过0.03MPa,连接处不得渗漏。
6.2.2 热水供应管道应尽量利用自然弯补偿热伸缩,直线段过长则应设置补偿器。补偿器型式、规格、位置应符合设计要求,并按有关规定进行预拉伸。
检验方法:对照设计图纸检查。
6.2.3热水供应系统竣工后必须进行冲洗。
检验方法:现场观察检查。
三、一般项目
6.2.4 管道安装坡度应符合设计规定。
检验方法:水平尺、拉线尺量检查。
6.2.5 温度控制器及阀门应安装在便于观察和维护的位置。
检验方法:观察检查。
6.2.6 热水供应管道和阀门安装的允许偏差应符合本规范表4.2.8的规定。
表4.2.8管道和阀门安装的允许偏差和检验方法
|
项次 |
项目 |
允许偏差(mm) |
检验方法 |
||
|
1 |
水平管道纵横方向弯曲 |
钢管 |
每米全长25m以上 |
1≯25 |
用水平尺、直尺、拉线和尺量检查 |
|
塑料复合管 |
每米全长25m以上 |
1.5≯25 |
|||
|
铸铁管 |
每米全长25m以上 |
2≯25 |
|||
|
2 |
立管垂直度 |
钢管 |
每5m以上 |
3≯8 |
吊线和尺量检查 |
|
塑料复合管 |
每米5m以上 |
2≯8 |
|||
|
铸铁管 |
每米5m以上 |
3≯10 |
|||
|
3 |
成排管段和成排阀门 |
在同一平面上间距 |
3 |
尺量检查 |
|
6.2.7 热水供应系统管道应保温(浴室内明装管道除外),保温材料、厚度、保护壳等应符合设计规定。保温层厚度和平整度的允许偏差应符合本规范表4.4.8的规定。
表4.4.8管道及设备保温的允许偏差和检验方法
|
项次 |
项目 |
允许偏差(mm) |
检验方法 |
|
|
1 |
厚度 |
+0.1δ—0.05δ |
用钢针刺入 |
|
|
2 |
表面平整度 |
卷材 |
5 |
用2m靠尺和楔形塞尺检查 |
|
涂抹 |
10 |
|||
注:δ为保温层厚度。