上级...

03060501_塑料板安装检验批质量验收记录

填写规范


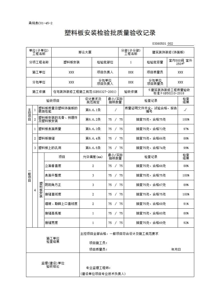
塑料板安装检验批质量验收记录

一、检验批划分

1 相同材料、工艺和施工条件的室内饰面板工程每50 间应划分为一个检验批,不足50 间也应划分为一个检验批,大面积房间和走廊可按饰面板面积每30m2 计为1 间;

2 相同材料、工艺和施工条件的室外饰面板工程每l000m2应划分为一个检验批,不足1000m2 也应划分为一个检验批。

检查数量:

1 室内每个检验批应至少抽查10% ,并不得少于3 间,不足3 间时应全数检查;

2 室外每个检验批每100m2 应至少抽查一处,每处不得小于10m2。

二、主控项目

9.6.1 塑料板的品种、规格、颜色和性能应符合设计要求及国家现行标准的有关规定。塑料饰面板的燃烧性能等级应符合设计要求。

检验方法:观察;检查产品合格证书、进场验收记录和性能检验报告。

9.6.2 塑料板安装工程的龙骨、连接件的材质、数量、规格、位置、连接方法和防腐处理应符合设计要求。塑料板安装应牢固。

检验方法:子扳检查;检查进场验收记录、隐蔽工程验收记录和施工记录。

三、一般项目

9.6.3 塑料板表面应平整、洁净、色泽一致,应无缺损。

检验方法:观察。

9.6.4 塑料板接缝应平直,宽度应符合设计要求。

检验方法:观察;尺量检查。

9.6.5 塑料板上的孔洞应套割吻合,边缘应整齐。

检验方法:观察。

9.6.6 塑料板安装的允许偏差和检验方法应符合表9.6.6的规定。

9.6.6 塑料板安装的允许偏差和检验方法

项次

项目

允许偏差(mm)

检验方法

1

立面垂直度

2

用2m垂直检测尺检查


2

表面平整度

3

用2m靠尺和塞尺检查


3

阴阳角方正

3

200mm直角检测尺检查


4

接缝直线度

2

拉5m线,不足5m拉通线,用钢直尺检查


5

墙裙、勒脚上口直线度

2

拉5m线,不足5m拉通线,用钢直尺检查


6

接缝高低差

1

用钢直尺和塞尺检查


7

接缝宽度

1

用钢直尺检查


示例