上级...

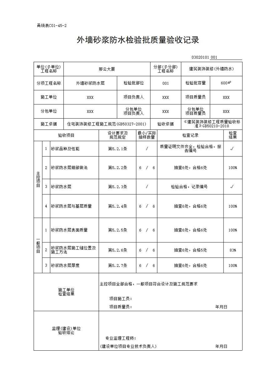
03020101_外墙砂浆防水检验批质量验收记录

填写规范


外墙砂浆防水检验批质量验收记录

一、检验批划分

相同材料、工艺和施工条件的外墙防水工程每1000m2 应划分为一个检验批,不足1000m2 时也应划分为一个检验批。

检查数量: 每个检验批每100m2 应至少抽查一处,每处检查不得小于10m2 ,节点构造应全数进行检查。

二、主控项目

5.2.1 砂浆防水层所用砂浆品种及性能应符合设计要求及国家现行标准的有关规定。

检验方法:检查产品合格证书、性能检验报告、进场验收记录和复验报告。

5.2.2 砂浆防水层在变形缝、门窗洞口、穿外墙管道和预埋件等部位的做法应符合设计要求。

检验方法:观察;检查隐蔽工程验收记录。

5.2.3 砂浆防水层不得有渗漏现象。

检验方法:检查雨后或现场淋水检验记录。

5.2.4 砂浆防水层与基层之间及防水层各层之间应粘结牢固,不得有空鼓。

检验方法:观察;用小锤轻击检查。

三、一般项目

5.2.5 砂浆防水层表面应密实、平整,不得有裂纹、起砂和麻面等缺陷。

检验方法:观察。

5.2.6 砂浆防水层施工缝位置及施工方法应符合设计及施工方案要求。

检验方法:观察。

5.2.7 砂浆防水层厚度应符合设计要求。

检验方法:尺量检查;检查施工记录。

示例