上级...

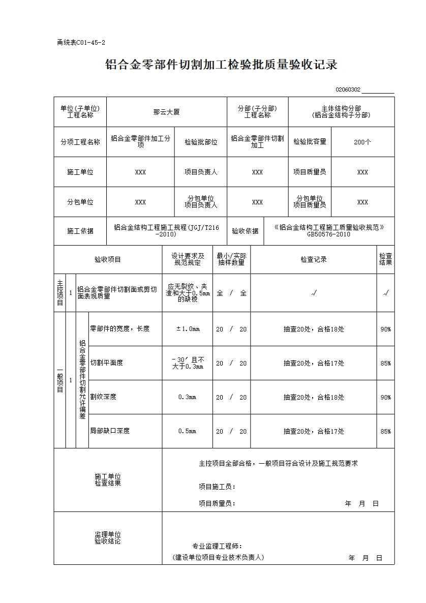
02060302_铝合金零部件切割加工检验批质量验收记录

填写规范


铝合金零部件切割加工检验批质量验收记录

本表适用于铝合金结构制作及安装中铝合金零件及部件加工的质量验收。

一、检验批划分

可按相应的铝合金结构制作工程或铝合金结构安装工程检验批的划分原则及进料实际情况划分为一个或若干个检验批。

二、主控项目

7.2.1 铝合金零部件切割面或剪切面应无裂纹、夹渣和大于0.5mm的缺棱。

检查数量:全数检查。

检验方法:观察或用放大镜及百分尺检查。

三、一般项目

7.2.2 铝合金零部件切割允许偏差应符合表7.2.2的规定。

检查数量:按切割面数检查10%,且不应小于3个。

检查方法:卷尺、游标卡尺、分度头检查。

7.2.2 切割的允许偏差

检查项目

允许偏差

零部件的宽度,长度

±1.0mm

切割平面度

-30且不大于0.3mm

割纹深度

0.3mm

局部缺口深度

0.5mm

示例