上级...

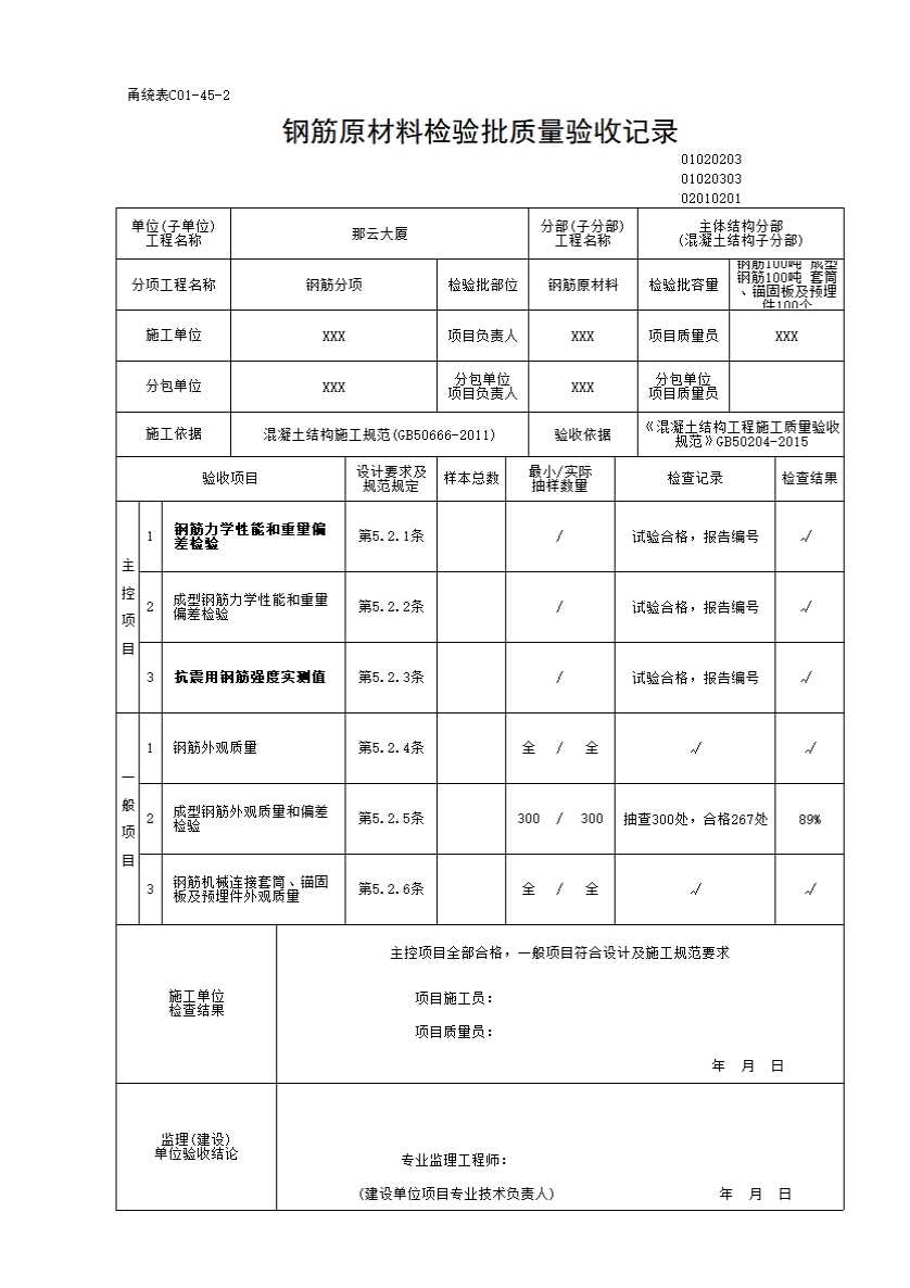
02010201_钢筋原材料检验批质量验收记录

填写规范


钢筋原材料检验批质量验收记录 

一、检验批划分

各分项工程可根据与生产和施工方式相一致且便于控制施工质量的原则,按进场批次、工作班、楼层、结构缝或施工段划分为若干检验批。

二、主控项目

5.2.1 钢筋进场时,应按国家现行相关标准的规定抽取试件作屈服强度、抗拉强度、伸长率、弯曲性能和重量偏差检验,检验结果应符合相应标准的规定。

检查数量:按进场的批次和产品的抽样检验方案确定。

检验方法:检查质量证明文件和抽样检验报告。

5.2.2 成型钢筋进场时,应抽取试件作屈服强度、抗拉强度、伸长率和重量偏差检验,检验结果应符合国家现行相关标准的规定。
对由热轧钢筋制成的成型钢筋,当有施工单位或监理单位的代表驻厂监督生产过程,并提供原材钢筋力学性能第三方检验报告时,可仅进行重量偏差检验。

检查数量:同一厂家、同一类型、同一钢筋来源的成型钢筋,不超过30t为一批,每批中每种钢筋牌号、规格均应至少抽取1个钢筋试件,总数不应少于3个。

检验方法:检查质量证明文件和抽样检验报告。

5.2.3 对按一、二、三级抗震等级设计的框架和斜撑构件(含梯段)中的纵向受力普通钢筋应采用HRB335E、HRB400E、HRB500E、HRBF335E、HRBF400E或HRBF500E钢筋,其强度和最大力下总伸长率的实测值应符合下列规定: 

1 抗拉强度实测值与屈服强度实测值的比值不应小于1.25; 

2 屈服强度实测值与屈服强度标准值的比值不应大于1.30; 

3 最大力下总伸长率不应小于9%。

检验数量:按进场的批次和产品的抽样检验方案确定。

检验方法:检查抽样检验报告。

三、一般项目

5.2.4 钢筋应平直、无损伤,表面不得有裂纹、油污、颗粒状或片状老锈。

检查数量:全数检查。

检验方法:观察。

5.2.5 成型钢筋的外观质量和尺寸偏差应符合国家现行相关标准的规定。

检查数量:同一厂家、同一类型的成型钢筋,不超过30t为一批,每批随机抽取3个成型钢筋试件。

检验方法:观察,尺量。

5.2.6 钢筋机械连接套筒、钢筋锚固板以及预埋件等的外观质量应符合国家现行相关标准的规定。

检查数量:按国家现行相关标准的规定确定。

检验方法:检查产品质量证明文件;观察,尺量。

示例