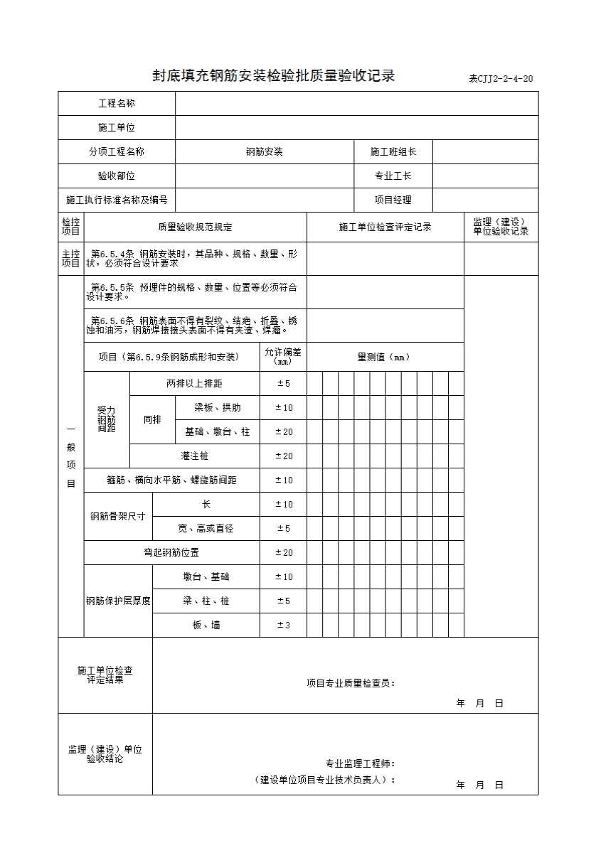
第6.5.4条钢筋安装时, 其品种、规格、数量、形状,必须符合设计要求。
检查数量:全数检查。
检验方法:观察、用钢尺量。
二、一般项目
第6.5.5条预埋件的规格、 数量、位置等必须符合设计要求。
检查数量:全数检查。
检验方法:观察、用钢尺量。
6.5.6钢筋表面不得有裂纹、结疤、折叠、锈蚀和油污,钢筋焊接接头表面不得有夹渣、焊瘤。
检查数量:全数检查。
检验方法:观察。
第6.5.9条 钢筋成形和安装允许偏差应符合表6.5.9的规定。
表6.5.9 钢筋成形和安装允许偏差
|
检查项目 |
允许偏差(mm) |
检查频率 |
检验方法 |
||||
|
范围 |
点数 |
||||||
|
受力 钢筋 间距 |
两排以上排距 |
±5 |
每个 构筑 物或 每个 构件
|
3 |
用钢尺量,两端和中间各一个断面每个断面连续量取钢筋间(排)距.取其平均值计1点 |
||
|
同排 |
梁板、拱助 |
±10 |
|||||
|
基础、墩台、柱 |
±20 |
||||||
|
灌注桩 |
±20 |
||||||
|
箍筋、横向水平筋、螺旋筋间距 |
±10 |
5 |
连续量取5个间距,其平均值计1点 |
||||
|
钢筋骨架尺寸 |
长 |
±10 |
3 |
用钢尺量,兩端和中间各1处 |
|||
|
宽、高或直径 |
±5 |
3 |
|||||
|
弯起钢筋位置 |
±20 |
30% |
用钢尺量 |
||||
|
钢筋保护层厚度 |
墩台、基础 |
±10 |
10 |
沿模板周边检查,用钢尺量 |
|||
|
梁、柱、桩 |
±5 |
||||||
|
板、墙 |
±3 |
||||||