上级...

07060101_成套配电柜、控制柜(屏、台)和动力、照明配电箱(盘)

填写规范


成套配电柜、控制柜(屏、台)和动力、照明配电箱(盘)安装检验批质量验收记录

一、检验批划分

按一个设计系统或设备组别划分为一个检验批。

二、主控项目

6.1.1 柜、屏、台、箱、盘的金属框架及基础型钢必须接地(PE)或接零(PEN)可靠;装有电器的可开启门,门和框架的接地端子间应用裸编织铜线连接,且有标识。

6.1.2 低压成套配电柜、控制柜(屏、台)和动力、照明配电箱(盘)应有可靠的电击保护。柜(屏、台、箱、盘)内保护导体应有裸露的连接外部保护导体的端子,当设计无要求时,柜(屏、台、箱、盘)内保护导体最小截面积Sp不应小于表6.1.2的规定。

6.1.2保护导体的截面积

相线的截面积S(mm2)

相应保护导体的最小截面积Sp(mm2)

S≤16

S

16<S≤35

16

35<S≤400

S/2

400<S≤800

200

S>800

S/4

注:S指柜(屏、台、箱、盘)电源进线相线截面积,且两者(S、Sp)材质相同。

6.1.3 手车、抽出式成套配电柜推拉应灵活,无卡阻碰撞现象。动触头与静触头的中心线应一致,且触头接触紧密,投入时,接地触头先于主触头接触;退出时,接地触头后于主触头脱开。

6.1.4 高压成套配电柜必须按本规范第3.1.8条的规定交接试验合格,且应符合下列规定:

1 继电保护元器件、逻辑元件、变送器和控制用计算机等单体校验合格,整组试验动作正确,整定参数符合设计要求;

2 凡经法定程序批准,进入市场投入使用的新高压电气设备和继电保护装置,按产品技术文件要求交接试验。

6.1.5 低压成套配电柜交接试验,必须符合本规范第4.1.5条的规定。

6.1.6 柜、屏、台、箱、盘间线路的线间和线对地间绝缘电阻值,馈电线路必须大于0.5MΩ;二次回路必须大于1MΩ。

6.1.7 柜、屏、台、箱、盘间二次回路交流工频耐压试验,当绝缘电阻值大于10MΩ时,用2500V兆欧表摇测1min,应无闪络击穿现象;当绝缘电阻值在1~10MΩ时,做1000V交流工频耐压试验,时间1min,应无闪络击穿现象。

6.1.8 直流屏试验,应将屏内电子器件从线路上退出,检测主回路线间和线对地间绝缘电阻值应大于0.5MΩ,直流屏所附蓄电池组的充、放电应符合产品技术文件要求;整流器的控制调整和输出特性试验应符合产品技术文件要求。

6.1.9 照明配电箱(盘)安装应符合下列规定:

1 (盘)内配线整齐,无绞接现象。导线连接紧密,不伤芯线,不断股。垫圈下螺丝两侧压的导线截面积相同,同一端子上导线连接不多于2根,防松垫圈等零件齐全;

2 (盘)内开关动作灵活可靠,带有漏电保护的回路,漏电保护装置动作电流不大于30mA,动作时间不大于0.1s。

3 照明箱(盘)内,分别设置零线(N)和保护地线(PE线)汇流排,零线和保护地线经汇流排配出。

三、一般项目

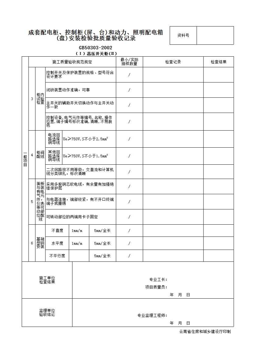
6.2.1 基础型钢安装应符合表6.2.1的规定。

6.2.1基础型钢安装允许偏差

项目

允许偏差

(mm/m)

(mm/全长)

不直度

1

5

水平度

1

5

不平行度

/

5

6.2.2 柜、屏、台、箱、盘相互间或与基础型钢应用镀锌螺栓连接,且防松零件齐全。

6.2.3 柜、屏、台、箱、盘安装垂直度允许偏差为1.5‰,相互间接缝不应大于2mm,成列盘面偏差不应大于5mm。

6.2.4 柜、屏、台、箱、盘内检查试验应符合下列规定:

1 控制开关及保护装置的规格、型号符合设计要求;

2 闭锁装置动作准确、可靠;

3 主开关的辅助开关切换动作与主开关动作一致;

4 柜、屏、台、箱、盘上的标识器件标明被控设备编号及名称,或操作位置,接线端子有编号,且清晰工整、不易脱色。

5 回路中的电子元件不应参加交流工频耐压试验;48V及以下回路可不做交流工频耐压试验。

6.2.5 低压电器组合应符合下列规定:

1 发热元件安装在散热良好的位置;

2 熔断器的熔体规格、自动开关的整定值符合设计要求;

3 切换压板接触良好,相邻压板间有安全距离,切换时,不触及相邻的压板;

4 信号回路的信号灯、按钮、光字牌、电铃、电笛、事故电钟等动作和信号显示准确;

5 外壳需接地(PE)或接零(PEN)的,连接可靠;

6 端子排安装牢固,端子有序号,强电、弱电端子隔离布置,端子规格与芯线截面积大小适配。

6.2.6 柜、屏、台、箱、盘间配线:电流回路应采用额定电压不低于750V、芯线截面积不小于2.5mm2的铜芯绝缘电线或电缆;除电子元件回路或类似回路外,其他回路的电线应采用额定电压不低于750V、芯线截面不小于1.5mm2的铜芯绝缘电线或电缆。二次回路连线应成束绑扎,不同电压等级、交流、直流线路及计算机控制线路应分别绑扎,且有标识;固定后不应妨碍手车开关或抽出式部件的拉出或推入。

6.2.7 连接柜、屏、台、箱、盘面板上的电器及控制台、板等可动部位的电线应符合下列规定:

1 采用多股铜芯软电线,敷设长度留有适当裕量;

2 线束有外套塑料管等加强绝缘保护层;

3 与电器连接时,端部绞紧,且有不开口的终端端子或搪锡,不松散、断股;

4 可转动部位的两端用卡子固定。

6.2.8 照明配电箱(盘)安装应符合下列规定:

1 位置正确,部件齐全,箱体开孔与导管管径适配,暗装配电箱箱盖紧贴墙面,箱(盘)涂层完整;

2 (盘)内接线整齐,回路编号齐全,标识正确;

3 (盘)不采用可燃材料制作;

4 (盘)安装牢固,垂直度允许偏差为1.5‰;底边距地面为1.5m,照明配电板底边距地面不小1

示例