上级...

03060401_玻璃隔墙检验批质量验收记录

填写规范


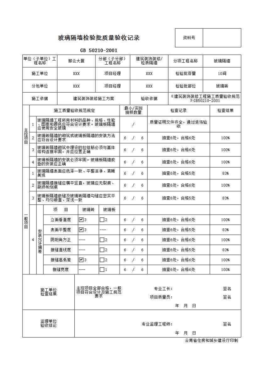
玻璃隔墙检验批质量验收记录

本节适用于玻璃砖、玻璃板隔墙工程的质量验收。

一、检验批划分

同一品种的轻质隔墙工程每50间(大面积房间和走廊按轻质隔墙的墙面每30㎡为一间)应划分为一个检验批,不足50间也应划分为一个检验批。

二、主控项目

7.5.3 玻璃隔墙工程所用材料的品种规格性能图案和颜色应符合设计要求玻璃板隔墙应使用安全玻璃

检验方法:观察检查产品合格证书进场验收记录和性能检测报告

7.5.4 玻璃砖隔墙的砌筑或玻璃板隔墙的安装方法应符合设计要求

检验方法:观察

7.5.5 玻璃砖隔墙砌筑中埋设的拉结筋必须与基体结构连接牢固并应位置正确

检验方法:手扳检查尺量检查检查隐蔽工程验收记录

7.5.6 玻璃板隔墙的安装必须牢固玻璃板隔墙胶垫的安装应正确

检验方法:观察手推检查检查施工记录

三、一般项目

7.5.7 玻璃隔墙表面应色泽一致平整洁净清晰美观

检验方法:观察

7.5.8 玻璃隔墙接缝应横平竖直玻璃应无裂痕缺损和划痕

检验方法:观察

7.5.9 玻璃板隔墙嵌缝及玻璃砖隔墙勾缝应密实平整均匀顺直深浅一致

检验方法:观察

7.5.10 玻璃隔墙安装的允许偏差和检验方法应符合表7.5.10 的规定

                  表7.5.10  玻璃隔墙安装的允许偏差和检验方法

项次

项目

允许偏差(mm)

检验方法

玻璃砖

玻璃板

1

立面垂直度

3

2

用2m垂直检测尺检查

2

表面平整度

3

-

用2m靠尺和塞尺检查

3

阴阳角方正

-

2

直角检测尺检查

4

接缝直线度

-

2

拉5m线,不足5m拉通线,用钢直尺检查

5

接缝高低差

3

2

用钢直尺和塞尺检查

6

接缝宽度

-

1

用钢直尺检查

示例