上级...

01030201_重复使用钢板桩排桩检验批质量验收记录

填写规范


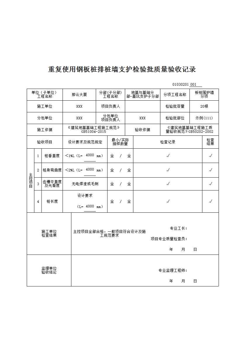
重复使用钢板桩排桩墙支护检验批质量验收记录

一、检验批划分

按施工段、变形缝划分;对于工程量较少的分项工程可统一划分为一个验收批。

二、主控项目、一般项目

7.2.2 灌注桩、预制桩的检验标准应符合本规范第7章的规定。钢板桩均为工厂成品,新桩可按出厂标准检验,重复使用的钢板桩应符合表7.2.2-1的规定,混凝土板桩应符合表7.2.2-2的规定。

7.2.2-1重复使用的钢板桩检验标准

检查项目

允许偏差或允许值

检查方法

单位

数值

1

桩垂直度

%

<1

用钢尺量

2

桩身弯曲度

<2%l

用钢尺量,l为桩长

3

齿槽平直度及光滑度

无电焊渣或毛刺

用1m长的桩段做通过试验

4

桩长度

不少于设计长度

7.2.2-2混凝土板桩制作标准

检查项目

允许偏差或允许值

检查方法

单位

数值

主控项目

1

桩长度

mm

+10

0

用钢尺量

2

桩身弯曲度

<0.1%l

用钢尺量,l为桩长

一般项目

1

保护层厚度

mm

±5

用钢尺量

2

模截面相对两面之差

mm

5

用钢尺量

3

桩尖对桩轴线的位移

mm

10

用钢尺量

4

桩厚度

mm

+10

0

用钢尺量

5

凹凸槽尺寸

mm

±3

用钢尺量

7.2.3 排桩墙支护的基坑,开挖后应及时支护,每一道支撑施工应确保基坑变形在设计要求的控制范围内。
7.2.4 在含水地层范围内的排桩墙支护基坑,应有确实可靠的止水措施,确保基坑施工及邻近构筑物的安全。

示例