|
云上资料软件
登录
/
注册
免费注册
登录
首页
软件下载
购买
首页
资料软件
(下载)
云上资料软件
(下载)
在线表格
求职招聘
服务平台
那云知道
当前位置:
表格库
>
西藏
>
园林
>
园林绿化工程(土建)施工技术资料及质量评定表
>
园林绿化给排水
>
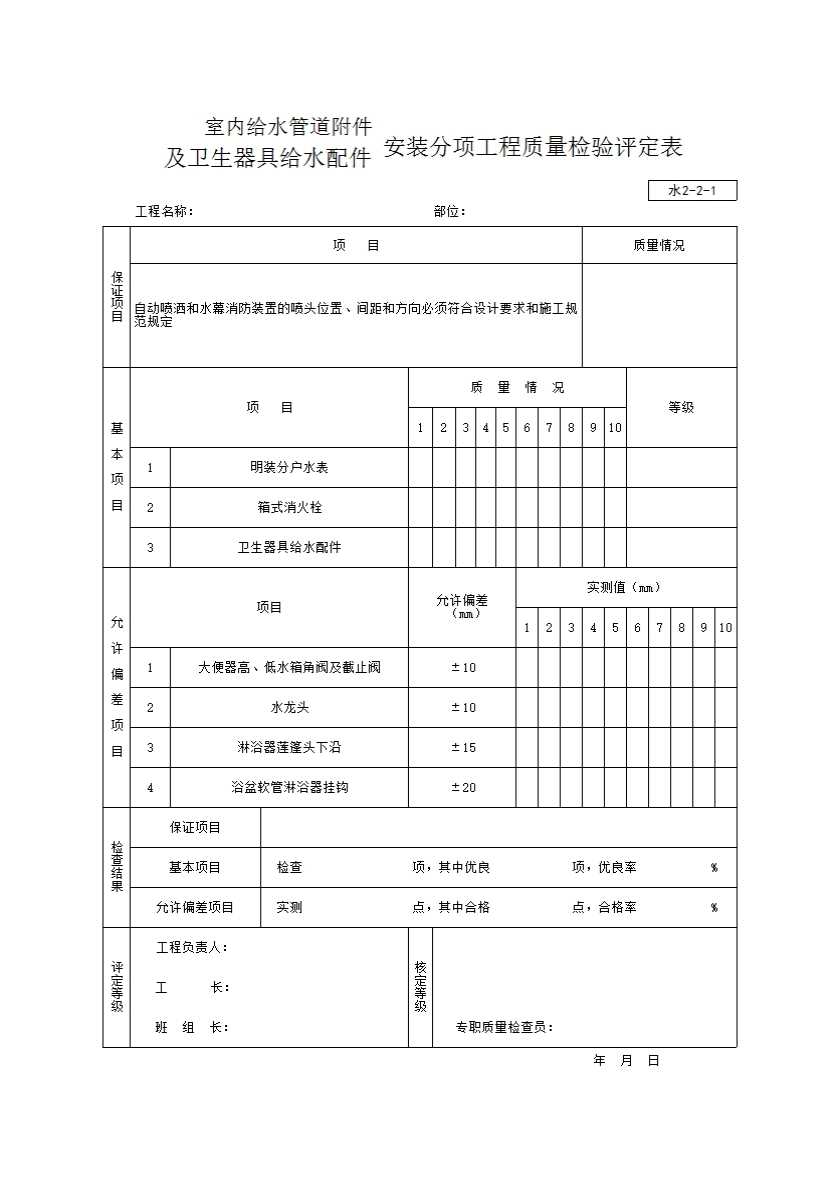
室内给水管道附件及卫生器具给水配件安装分项工程质量检验评定表
上级...
室内给水管道附件及卫生器具给水配件安装分项工程质量检验评定表
表格
下载表格
点击领取首张表格excel
点击查看大图
下载表格
点击领取首张表格excel
×
下载表格
表格名称:室内给水管道附件及卫生器具给水配件安装分项工程质量检验评定表
所需N币:
N币
(我有
)N币)
您的N币不足,请先充值。
充值N币
充值N币
下载
取消
×
分享页面
QQ分享
空间分享
微信分享
微博分享