|
云上资料软件
登录
/
注册
免费注册
登录
首页
软件下载
购买
首页
资料软件
(下载)
云上资料软件
(下载)
在线表格
求职招聘
服务平台
那云知道
当前位置:
表格库
>
西藏
>
土地整治整理
>
高标准农田建设工程资料库(2022)
>
农业建设项目验收技术规程NY-T 1717-2009
>
附录D 农业田间工程检验批质量验收记录
>
表D.2 土地整治检验批质量验收记录
上级...
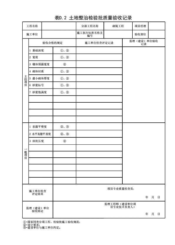
表D.2 土地整治检验批质量验收记录
表格
下载表格
点击领取首张表格excel
点击查看大图
下载表格
点击领取首张表格excel
×
下载表格
表格名称:表D.2 土地整治检验批质量验收记录
所需N币:
N币
(我有
)N币)
您的N币不足,请先充值。
充值N币
充值N币
下载
取消
×
分享页面
QQ分享
空间分享
微信分享
微博分享