|
云上资料软件
登录
/
注册
免费注册
登录
首页
软件下载
购买
首页
资料软件
(下载)
云上资料软件
(下载)
在线表格
求职招聘
服务平台
那云知道
当前位置:
表格库
>
西藏
>
水利
>
水利水电工程施工质量验收评定表及填写说明(新)
>
第二部分 质量评定专用表格(参考)
>
7.水力机械辅助设备系统安装工程
>
7.4 水力机械系统管道安装工程
>
表7.4.1 管道制作单元工程安装质量验收评定表
>
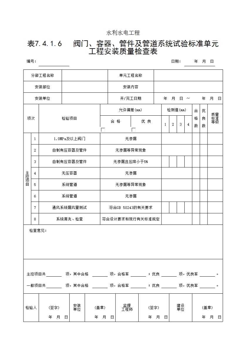
表7.4.1.6 阀门、容器、管件及管道系统试验标准单元工程安装质量检查表
上级...
表7.4.1.6 阀门、容器、管件及管道系统试验标准单元工程安装质量检查表
表格
下载表格
点击领取首张表格excel
点击查看大图
下载表格
点击领取首张表格excel
×
下载表格
表格名称:表7.4.1.6 阀门、容器、管件及管道系统试验标准单元工程安装质量检查表
所需N币:
N币
(我有
)N币)
您的N币不足,请先充值。
充值N币
充值N币
下载
取消
×
分享页面
QQ分享
空间分享
微信分享
微博分享