上级...

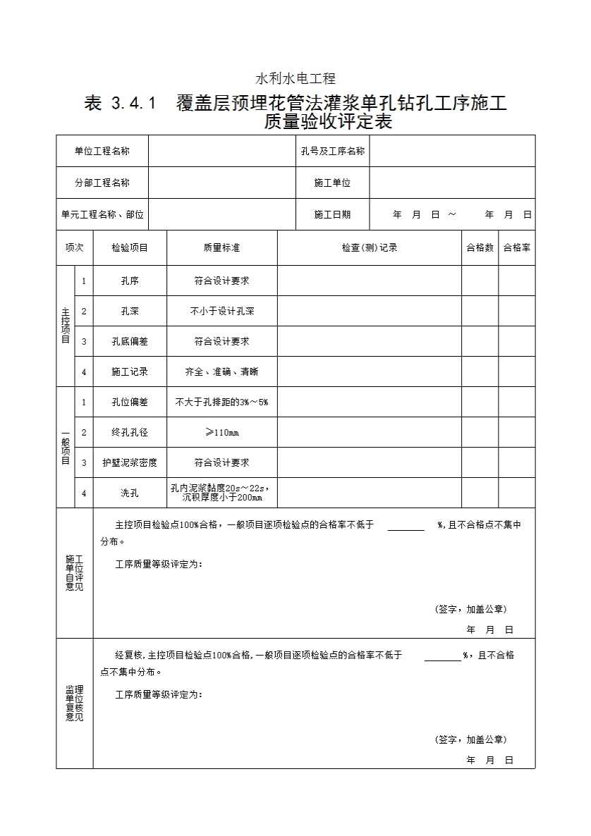
表3.4.1 覆盖层预埋花管法灌浆单孔钻孔工序施工质量验收评定表

填写规范


3.4.1  覆盖层预埋花管法灌浆单孔钻孔工序施工质量验收评定表

填表说明

填表时必须遵守“填表基本规定”,并符合以下要求。1.单位工程、分布工程、单元工程名称及部位填写要与表3.4相同。2.检验(测)方法及数量。

检 验 项 目

检 验 方 法

检验数量

孔序

现场查看

逐孔

孔深

测绳或钢尺测钻杆、钻具

孔底偏差

测斜仪量测

施工记录

查看

抽查

孔位偏差

钢尺量测

逐孔

终孔孔径

测量钻头直径

护壁泥浆密度

比重秤检测

逐段或定时

洗孔

量测孔内泥浆黏度和孔深

逐孔

3.工序施工质量验收评定应提交下列资料。(1)施工单位各班(组)的初检记录、施工队复检记录、施工单位专职质检员终检记录,工序中各施工质量检验项目的检验资料,施工中的见证取样检验及记录结果资料。(2)监理单位对工序中施工质量检验项目的平行检测资料

4.工序质量标准。(1)合格标准。1)主控项目,检验结果应全部符合SL633的要求。2)一般项目,应逐项有70%及以上的检验点合格,不合格点不应集中分布,且不合格点的质量不应超出有关规范或设计要求的限值。3)各项报验资料应符合SL633的要求。(2)优良标准。1)主控项目,检验结果应全部符合SL633的要求。2)一般项目,应逐项有90%及以上的检验点合格,不合格点不应集中分布,且不合格点的质量不应超出有关规范或设计要求的限值。3)各项报验资料应符合SL633的要求。