上级...

表4.18 防浪护堤林单元工程施工质量验收评定表

填写规范


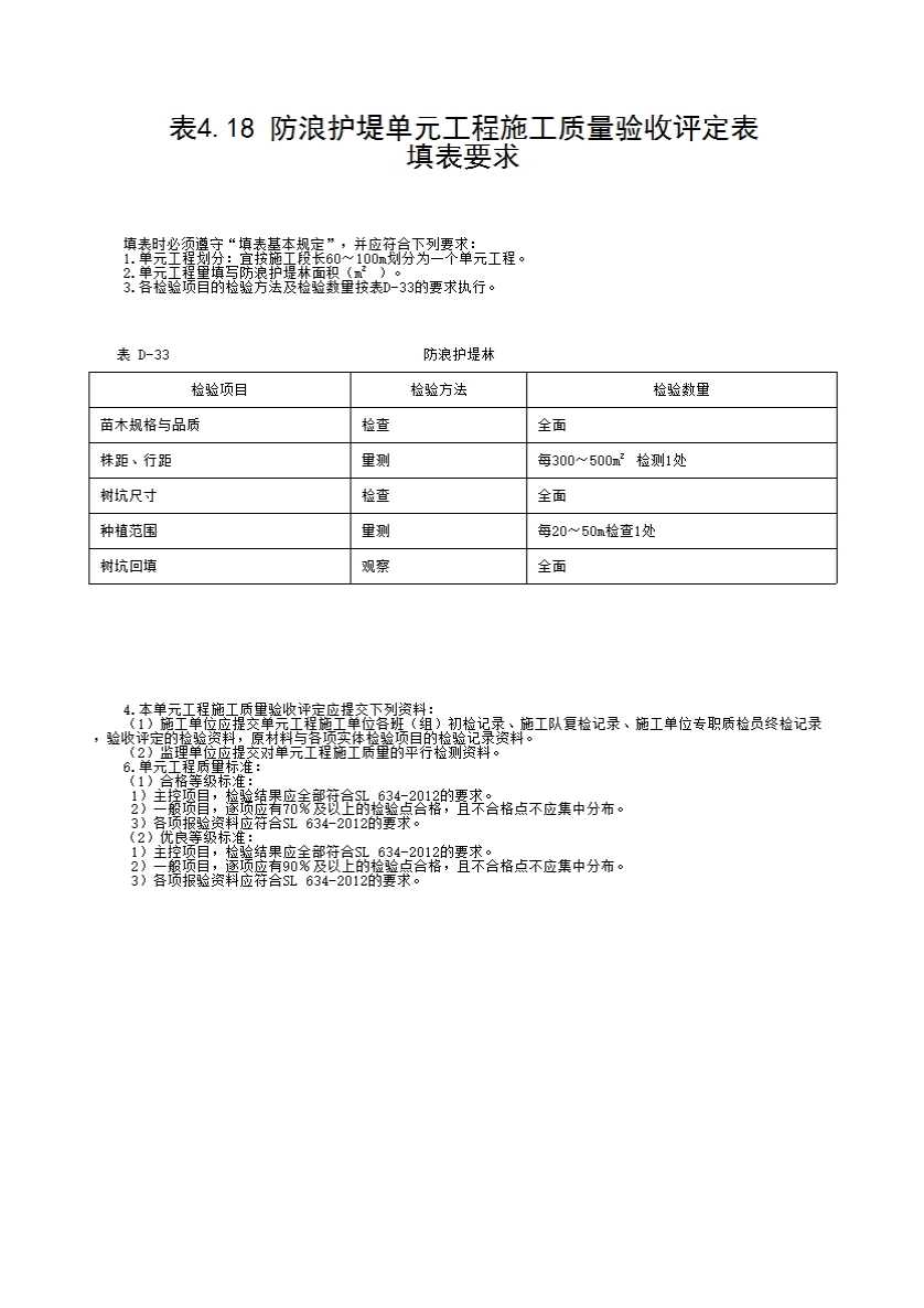
表4.18 防浪护堤单元工程施工质量验收评定表填表要求

    填表时必须遵守“填表基本规定”,并应符合下列要求:
    1.单元工程划分:宜按施工段长60~100m划分为一个单元工程。
    2.单元工程量填写防浪护堤林面积(m)。
    3.各检验项目的检验方法及检验数量按表D-33的要求执行。

    4.本单元工程施工质量验收评定应提交下列资料:
    (1)施工单位应提交单元工程施工单位各班(组)初检记录、施工队复检记录、施工单位专职质检员终检记录,验收评定的检验资料,原材料与各项实体检验项目的检验记录资料。
    (2)监理单位应提交对单元工程施工质量的平行检测资料。
    6.单元工程质量标准:
    (1)合格等级标准:
     1)主控项目,检验结果应全部符合SL 634-2012的要求。
     2)一般项目,逐项应有70%及以上的检验点合格,且不合格点不应集中分布。
     3)各项报验资料应符合SL 634-2012的要求。
    (2)优良等级标准:
     1)主控项目,检验结果应全部符合SL 634-2012的要求。
     2)一般项目,逐项应有90%及以上的检验点合格,且不合格点不应集中分布。
     3)各项报验资料应符合SL 634-2012的要求。