上级...

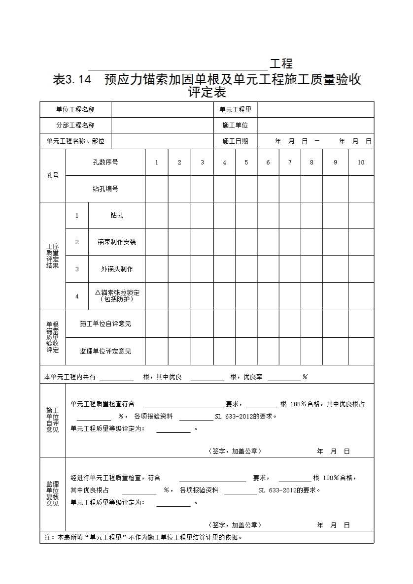
表3.14 预应力锚索加固单根及单元工程施工质量验收评定表

填写规范


表3.14  预应力锚索加固单根及单元工程施工质量验收评定表填表要求

  填表时必须遵守“填表基本规定”,并应符合下列要求:
  1.本表适用于预应力锚索加固岩土边坡或洞室围岩的施工质量验收评定,加固混凝土结构物工程可参照使用。
  2.预应力锚束制作完成应进行外观检验,验收合格且签发合格证、编号挂牌后,方可使用。预应力锚杆施加预应力设备、锚索张拉设备应由有资质的检定机构按期检定,并应经过监理和建设单位的认可。上述工作要形成文字资料,作为单元工程或分部工程验收的备查资料。
  3.单位工程划分:单根预应力锚索设计张拉力不小于500kN的,应每根锚索划分为一个单元工程;单根预应力锚索设计张拉力小于500kN的,宜以3~5根锚索划分为一个单元工程。
  4.预应力锚索加固单元工程施工质量验收评定,应在单根锚索施工质量验收评定合格的基础上进行,单根锚索施工质量验收评定应在工序验收合格的基础上进行。
  5.单元工程量为锚索的根数和长度(m)。
  6.单元工程单孔施工工序应分为钻孔、锚束制作及安装、外锚头制作和锚索张拉锁定(包括防护)4个工序,其中锚索张拉锁定(包括防护)工序为主要工序,用△标注。
  7.单元工程施工质量验收评定应提交下列资料:
  (1)施工单位应提交单元工程中所含工序(或检验项目)验收评定的检验资料,各项实体检验项目的检验记录资料,施工中的见证取样检验及记录结果资料。
  (2)监理单位应提交对单元工程施工质量的平行检测资料。
  8.预应力锚索加固单根施工质量验收评定标准:
  (1)合格等级标准:工序施工质量验收评定全部合格。
  (2)优良等级标准:工序施工质量验收评定全部合格,其中3个及以上工序施工质量达到优良,并且锚索张拉锁定工序施工质量达到优良。
  9.预应力锚索加固单元工程施工质量验收评定标准:
  (1)对于单根锚索为一个单元工程的,按单根锚索施工质量验收评定结果作为单元工程验收评定结果;各项报验资料应符合SL 633-2012标准的要求。
  (2)对多根锚索划分为一个单元工程的,应按以下标准进行验收评定:
   1)锚索全部合格,优良率小于70%,各项报验资料应符合SL 633-2012的要求,单元工程评定合格。
   2)全部合格,优良率不小于70%,各项报验资料应符合SL 633-2012的要求,单元工程评定优良。