上级...

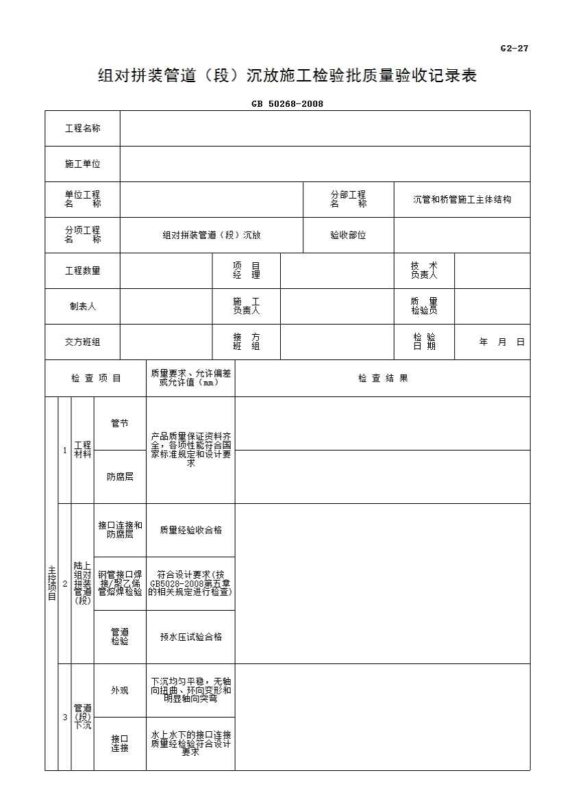
组对拼装管道(段)沉放施工检验批质量验收记录表

填写规范


7.4.2 组对拼装管道(段)的沉放心符合下列规定:

主控项目

    1 管节、防腐层等工程材料的产品质量保证资料齐全,各项性能检验报告应符合相关国家相关标准的规定和设计要求;
    检查方法:检查产品质量合格证明书、各项性能检验报告,检查产品制造原材料质量保证资料;检查产品进场验收记录。
    2 陆上组对拼装管道(段)的接口连接和钢管防腐层(包括焊口、补口)的质量经验收合格;钢管接口焊接、聚乙烯管、接口熔焊检验符合设计要求,管道预水压试验合格;
    检查方法:管道(段)及接口全数观察,按本规范第5章的相关规定进行检查;检查焊接检验报告和管道预水压试验记录,其中管道预水压试验应按本规范第7.1.7条第7款的规定执行。
    3 管道(段)下沉均匀、平稳,无轴向扭曲、环向变形和明显轴向突弯等现象;水上、水下的接口连接质量经检验符合设计要求;
    检查方法:观察;检查沉放施工记录及相关检测记录;检查水上、水下的接口连接检验报告等。

一般项目

4 沉放前管道(段)及防腐层无损伤,无变形;
    检查方法:观察,检查施工记录。
    5 对于分段沉放管道,其水上、水下的接口防腐质量检验合格;
    检查方法:逐个检查接口连接及防腐的施工记录、检验记录。
    6 沉放后管底与沟底接触均匀和紧密;
    检查方法:检查沉放记录;必要时由潜水员检查。
    7 沉管下沉铺设的允许偏差应符合表7.4.2的规定。

7.4.2沉管下沉铺设的允许偏差

检查项目

允许偏差(mm)

检查数量

检查方法

范围

点数

1

管道高程

压力管道

0-200

10m

1

用回声测深仪、多波束仪、

测深图检查;或用水准仪、

经纬仪测量、钢尺量测定位标志

无压管道

0-100

2

管道水平轴线位置

50

10m

1