|
云上资料软件
登录
/
注册
免费注册
登录
首页
软件下载
购买
首页
资料软件
(下载)
云上资料软件
(下载)
在线表格
求职招聘
服务平台
那云知道
当前位置:
表格库
>
西藏
>
工业设备及管道
>
《高速铁路信号工程施工质量验收标准》(TB 10756-2018)
>
计算机联锁(CBI)系统
>
室内设备
>
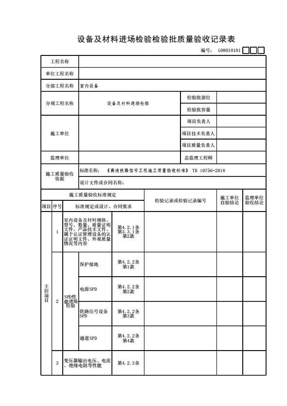
G08010101 设备及材料进场检验检验批质量验收记录表
上级...
G08010101 设备及材料进场检验检验批质量验收记录表
表格
下载表格
点击领取首张表格excel
点击查看大图
点击查看大图
下载表格
点击领取首张表格excel
×
下载表格
表格名称:G08010101 设备及材料进场检验检验批质量验收记录表
所需N币:
N币
(我有
)N币)
您的N币不足,请先充值。
充值N币
充值N币
下载
取消
×
分享页面
QQ分享
空间分享
微信分享
微博分享