|
云上资料软件
登录
/
注册
免费注册
登录
首页
软件下载
购买
首页
资料软件
(下载)
云上资料软件
(下载)
在线表格
求职招聘
服务平台
那云知道
当前位置:
表格库
>
西藏
>
工业设备及管道
>
GB50184-2011 工业金属管道工程施工质量验收规范
>
7 管道安装
>
7.2 管道预制分项工程质量验收记录
上级...
7.2 管道预制分项工程质量验收记录
表格
填写规范
下载表格
点击领取首张表格excel
点击查看大图
下载表格
点击领取首张表格excel
填写规范
Ⅰ 一般项目
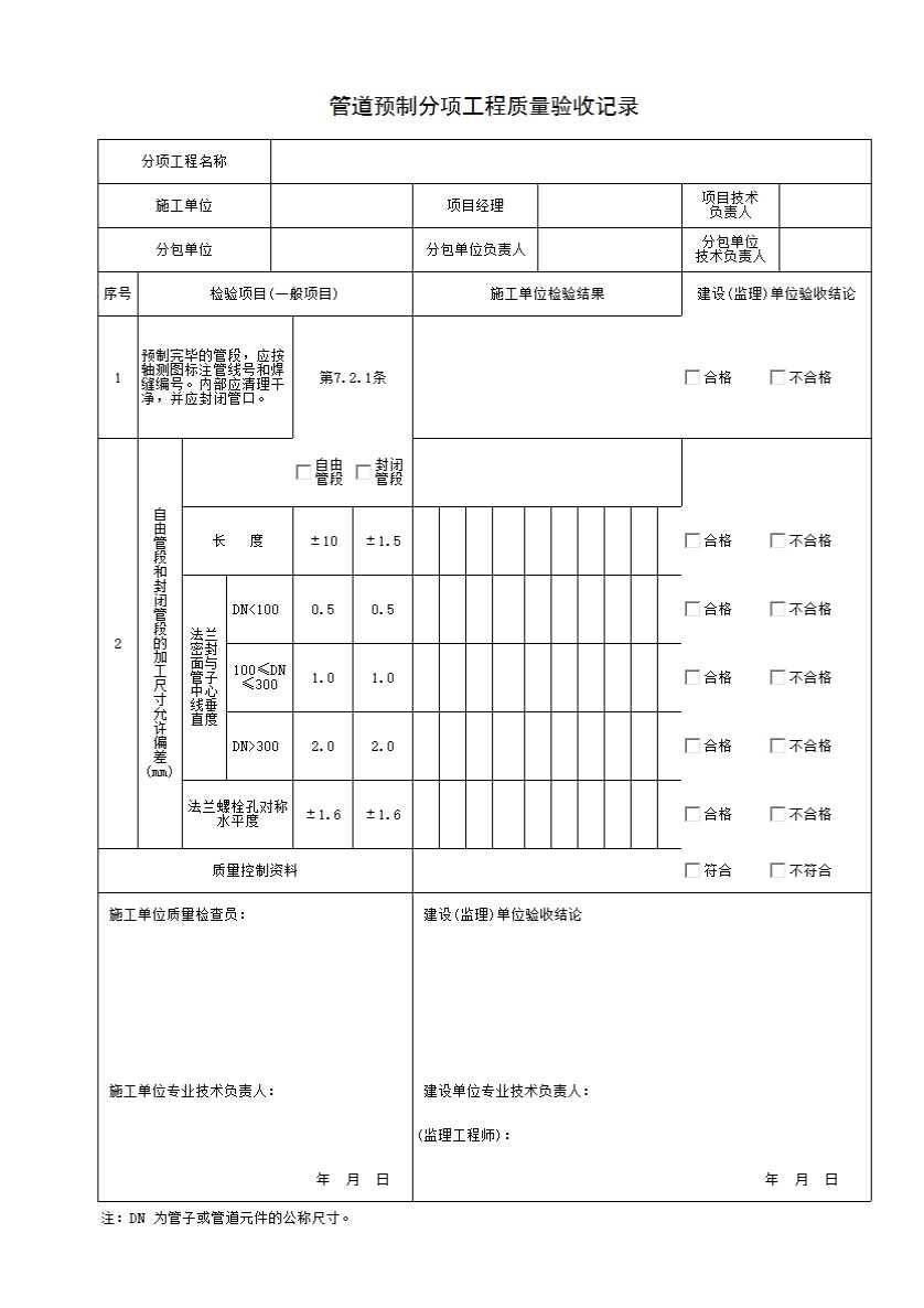
7.2.1 预制完毕的管段, 应按轴测图标注管线号和焊缝编号。 内部应清理干净,并应封闭管口。
检验数量: 全部检查。
检验方法: 按轴测图检查。
7.2.2 自由管段和封闭管段的加工尺寸允许偏差应符合表 7. 2. 2 的规定。
检验数量: 全部检查。
检验方法: 采用直尺检查。
×
下载表格
表格名称:7.2 管道预制分项工程质量验收记录
所需N币:
N币
(我有
)N币)
您的N币不足,请先充值。
充值N币
充值N币
下载
取消
×
分享页面
QQ分享
空间分享
微信分享
微博分享