上级...

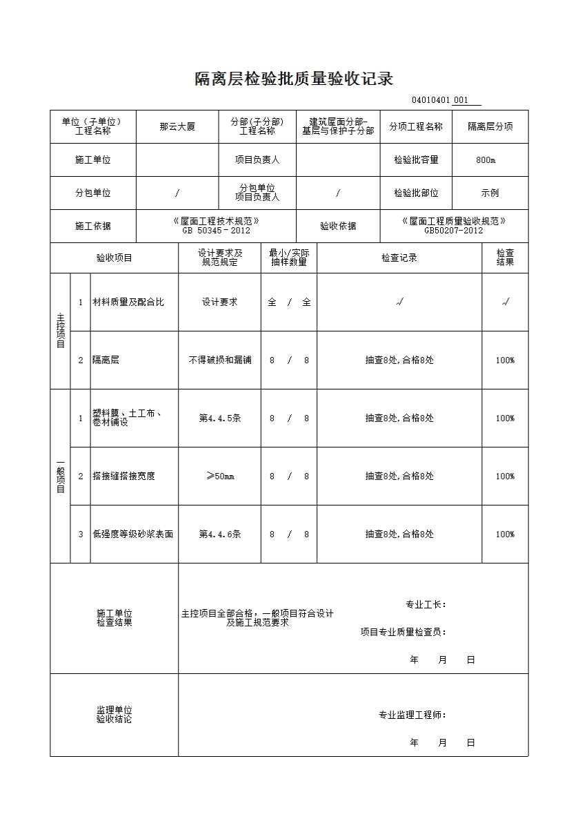
04010401_隔离层检验批质量验收记录

填写规范


隔离层检验批质量验收记录

一、检验批划分

按屋面面积每500m²1000m²划分为一个检验批,不足500m²应划分为一个检验批。

二、主控项目

4.4.3 隔离层所用材料的质量及配合比,应符合设计要求。

检验方法:检查出厂合格证和计量措施。

4.4.4 隔离层不得有破损和漏铺现象。

检验方法:观察检查。

三、一般项目

4.4.5 塑料膜、土工布、卷材应铺设平整,其搭接宽度不应小于50mm,不得有皱折。

检验方法:观察和尺量检查。

4.4.6 低强度等级砂浆表面应压实、平整,不得有起壳、起砂现象。

检验方法:观察检查。

示例