上级...

08050801_系统试运行检验批质量验收记录

填写规范


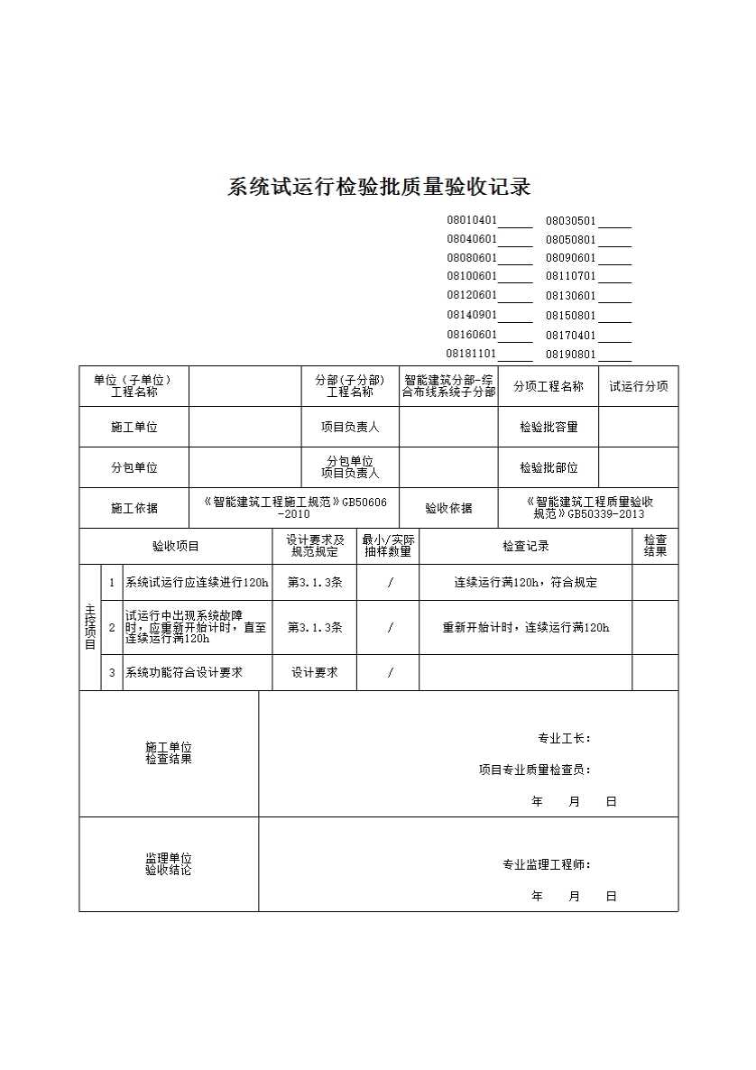
系统试运行检验批质量验收记录

一、检验批划分按施工段、单元及系统划分;对于工程量较少的分项工程可统一划分为一个验收批。

二、主控项目

3.1.3 系统试运行应连续进行120h。试运行中出现系统故障时,应重新开始计时,直至连续运行满120h。

示例