电缆敷设检验批质量验收记录
一、检验批划分:按施工段、变形缝划分;对于工程量较少的分项工程可统一划分为一个验收批。
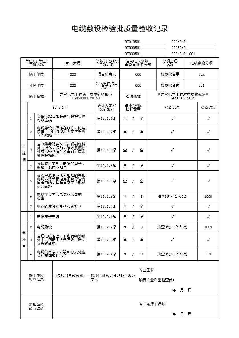
13.1 主控项目
13.1.1 金属电缆支架必须与保护导体可靠连接。
检查数量:明敷的全数检查,暗敷的按每个检验批抽查20%,且不得少于2处。
检查方法:观察检查并查阅隐蔽工程检查记录。
13.1.2 电缆敷设不得存在绞拧、铠装压扁、护层断裂和表面严重划伤等缺陷。
检查数量:全数检查。
检查方法:观察检查。
13.1.3 当电缆敷设存在可能受到机械外力损伤、振动、浸水及腐蚀性或污染物质等损害时,应采取防护措施。
检查数量:全数检查。
检查万法:观察检查。
13.1.4 除设计要求外,并联使用的电力电缆的型号、规格、长度应相同。
检查数量:全数检查。
检查方法:核对设计图观察检查。
13.1.5 交流单芯电缆或分相后的每相电缆不得单根独穿于钢导管内,固定用的夹具和支架不应形成闭合磁路。
检查数量:全数检查。
检查方法:核对设计图观察检查。
13.1.6 当电缆穿过零序电流互感器时,电缆金属护层和接地线应对地绝缘。对穿过零序电流互感器后制作的电缆头,其电缆接地线应回穿互感器后接地;对尚未穿过零序电流互感器的电缆接地线应在零序电流互感器前直接接地。
检查数量:按电缆穿过零序电流互感器的总数抽查5%,且不得少于1处。
检查方法:观察检查。
13.1.7 电缆的敷设和排列布置应符合设计要求,矿物绝缘电缆敷设在温度变化大的场所、振动场所或穿越建筑物变形缝时应采取“S”或“Ω”弯。
检查数量:全数检查。
检查方法:观察检查。
13.2 一般项目
13.2.1 电缆支架安装应符合下列规定:
1 除设计要求外,承力建筑钢结构构件上不得熔焊支架,且不得热加工开孔。
2 当设计无要求时,电缆支架层间最小距离不应小于表 13. 2. 1-1的规定,层间净距不应小于2倍电缆外径加10mm,35kV电缆不应小于2倍电缆外径加50mm。
表13. 2. 1-1电缆支架层间最小距离(mm )
|
电缆种类 |
支架上敷设 |
梯架、托盘内敷设 |
|
|
控制电缆明敷 |
120 |
200 |
|
|
电 |
10kV及以下电力电缆 (处6kV-10kV交联聚乙烯绝缘电力电缆) |
150 |
250 |
|
6Kv-10kV交联聚乙烯绝缘电力电缆 |
200 |
300 |
|
|
35kV单芯电力电缆 |
250 |
300 |
|
|
35kV三芯电力电缆 |
300 |
350 |
|
|
电缆敷设在槽盒内 |
h+100 |
||
注:h为槽盒高度。
3 最上层电缆支架距构筑物顶板或梁底的最小净距应满足电缆引接至上方配电柜、台、箱、盘时电缆弯曲半径的要求,且不宜小于表13. 2. 1-1所列数再加80mm~150mm;距其他设备的最小净距不应小于300mm,当无法满足要求时应设置防护板。
4 当设计无要求时,最下层电缆支架距沟底、地面的最小距离不应小于表13. 2. 1-2的规定。
表13. 2. 1-2最下层电缆支架距沟底、地面的最小净距(mm )
|
电缆敷设场所及其特征 |
垂直净距 |
|
|
电缆沟 |
50 |
|
|
隧道 |
100 |
|
|
电缆夹层 |
非通道处 |
200 |
|
至少在一侧不小于800mm宽通道处 |
1400 |
|
|
公共廊道中电缆支架无围栏防护 |
1500 |
|
|
室内机房或活动区间 |
2000 |
|
|
室外 |
无车辆通过 |
2500 |
|
有车辆通过 |
4500 |
|
|
屋面 |
200 |
|
5 当支架与预埋件焊接固定时,焊缝应饱满;当采用膨胀螺栓固定时,螺栓应适配、连接紧固、防松零件齐全,支架安装应牢固、无明显扭曲。
6 金属支架应进行防腐,位于室外及潮湿场所的应按设计要求做处理。
检查数量:第1款全数检查,第2款~第6款按每个检验批的支架总数抽查10%,且各不得少于1处。
检查方法:观察检查,并用尺量检查。
13.2.2 电缆敷设应符合下列规定:
1 电缆的敷设排列应顺直、整齐,并宜少交叉;
2 电缆转弯处的最小弯曲半径应符合表11. 1. 2的规定;
3 在电缆沟或电气竖井内垂直敷设或大于450倾斜敷设的电缆应在每个支架上固定;
4 在梯架、托盘或槽盒内大于450倾斜敷设的电缆应每隔2m固定,水平敷设的电缆,首尾两端、转弯两侧及每隔5m^-lOm处应设固定点;
5 当设计无要求时,电缆支持点间距不应大于表13. 2. 2的规定;
表13. 2. 2电缆支持点间距(mm )
|
电缆种类 |
电缆外径 |
敷设方式 |
||
|
水平 |
垂直 |
|||
|
电力 |
全塑型 |
— |
400 |
1000 |
|
除全塑型外的中低压电缆 |
800 |
1500 |
||
|
35kV高压电缆 |
1500 |
2000 |
||
|
铝合金带联锁铠装的铝合金电缆 |
1800 |
1800 |
||
|
控制电缆 |
800 |
1000 |
||
|
矿物绝缘电缆 |
<9 |
600 |
800 |
|
|
≥9,且<15 |
900 |
1200 |
||
|
≥15,且<20 |
1500 |
2000 |
||
|
≥20 |
2000 |
2500 |
||
6 当设计无要求时,电缆与管道的最小净距应符合本规范附录F的规定;
7 无挤塑外护层电缆金属护套与金属支(吊)架直接接触的部位应采取防电化腐蚀的措施;
8 电缆出人电缆沟,电气竖井,建筑物,配电(控制)柜、台、箱处以及管子管口处等部位应采取防火或密封措施;
9 电缆出入电缆梯架、托盘、槽盒及配电(控制)柜、台、箱、盘处应做固定;
10 当电缆通过墙、楼板或室外敷设穿导管保护时,导管的内径不应小于电缆外径的1. 5倍。
检查数量:按每检验批电缆线路抽查20%,且不得少于1条电缆线路并应能覆盖上述不同的检查内容。
检查方法:观察检查并用尺量检查,查阅电缆敷设记录。
13.2.3 直理电缆的上、下应有细沙或软土,回填土应无石块、砖头等尖锐硬物。
检查数量:全数检查。
检查方法:施工中观察检查并查阅隐蔽工程检查记录。
13.2.4 电缆的首端、末端和分支处应设标志牌,直埋电缆应设标示桩。
检查数量:按每检验批的电缆线路抽查20%,且不得少于1条电缆线路。
检查方法:观察检查。