上级...

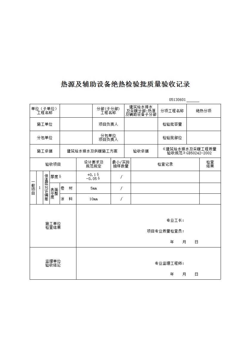
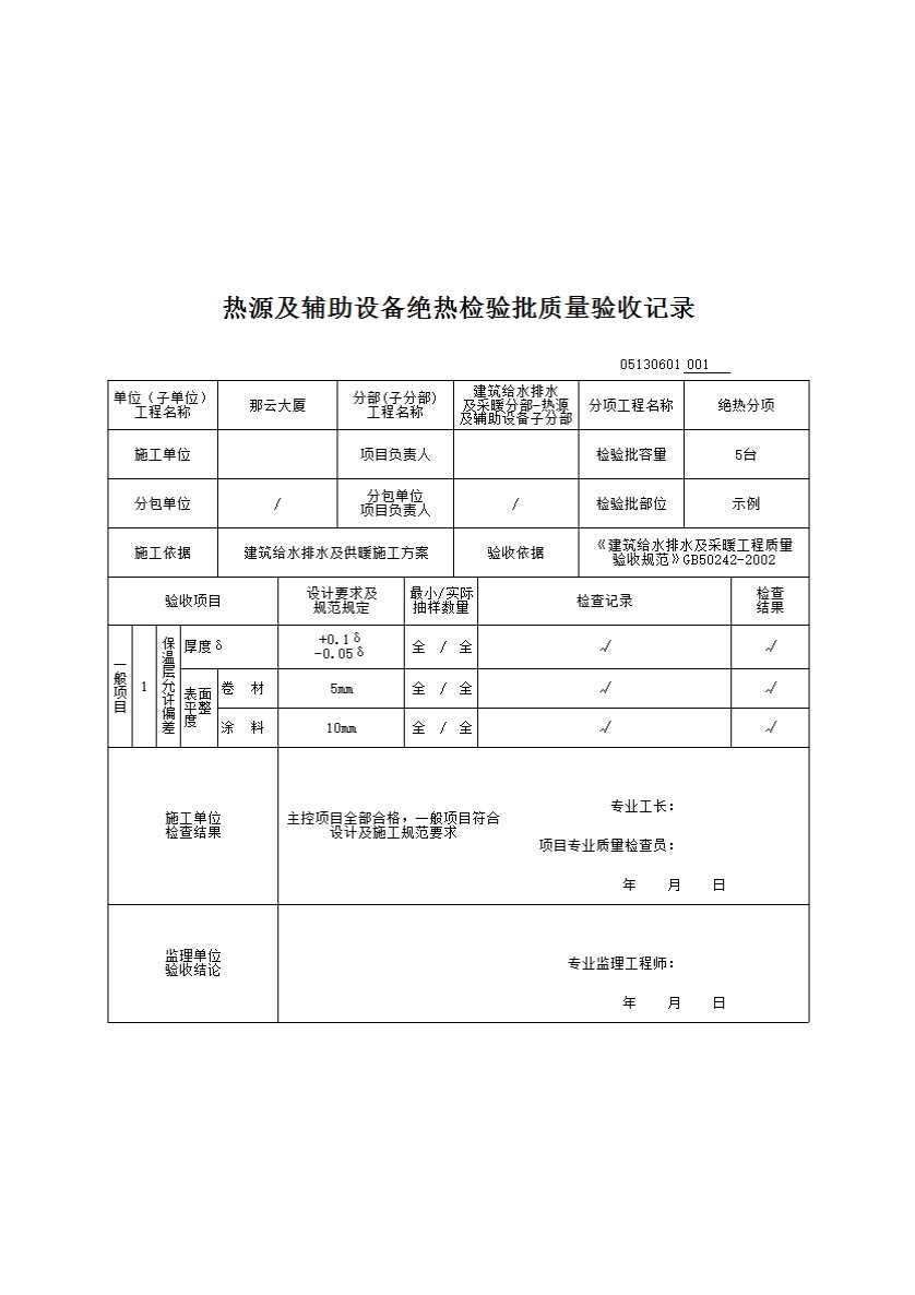
05130601_热源及辅助设备绝热检验批质量验收记录

填写规范


热源及辅助设备绝热检验批质量验收记录

一、检验批划分

按设计系统、楼层、施工段或分部分项划为检验批。

二、一般项目  

4.4.8 管道及设备保温层的厚度和平整度的允许偏差应符合表4.4.8的规定。

4.4.8    管道及设备保温的允许偏差和检验方法

项次

项    目

允许偏差 (mm)

检验方法

1

厚    度

十0.1δ

一0.05δ

用钢针刺入

2

表  面

卷    材

5

用2m靠尺和楔形塞尺检查

平整度

涂    抹

10

     注:δ为保温层厚度。

示例