|
云上资料软件
登录
/
注册
免费注册
登录
首页
软件下载
购买
首页
资料软件
(下载)
云上资料软件
(下载)
在线表格
求职招聘
服务平台
那云知道
当前位置:
表格库
>
西藏
>
电力电网
>
《电力建设施工质量验收及评价规程》DLT 5210系列
>
《电力建设施工质量验收规程 第4部分:热工仪表及控制装置》DLT 5210.4-2018
>
3.10 热工测量仪表和控制装置的调试
>
3.10 热控测量回路调试
>
物料称重装置回路调试
>
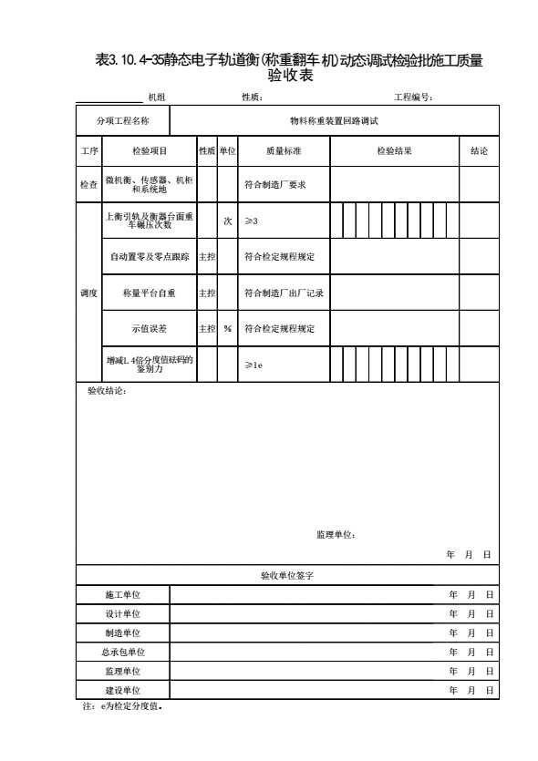
表3.10.4-35 静态电子轨道衡(称重翻车机)动态调试检验批施工质量验收表
上级...
表3.10.4-35 静态电子轨道衡(称重翻车机)动态调试检验批施工质量验收表
表格
下载表格
点击领取首张表格excel
点击查看大图
下载表格
点击领取首张表格excel
×
下载表格
表格名称:表3.10.4-35 静态电子轨道衡(称重翻车机)动态调试检验批施工质量验收表
所需N币:
N币
(我有
)N币)
您的N币不足,请先充值。
充值N币
充值N币
下载
取消
×
分享页面
QQ分享
空间分享
微信分享
微博分享