|
云上资料软件
登录
/
注册
免费注册
登录
首页
软件下载
购买
首页
资料软件
(下载)
云上资料软件
(下载)
在线表格
求职招聘
服务平台
那云知道
当前位置:
表格库
>
西藏
>
电力电网
>
国家电网有限公司输变电工程施工质量验收统一表式(变电工程土建专业2020)(新)下册
>
13 调相机厂房及附属系统
>
循环水冷却系统(循环水泵房、通风冷却塔、工业水池)
>
建筑节能
>
供(采)暖空调设备及管网节能
>
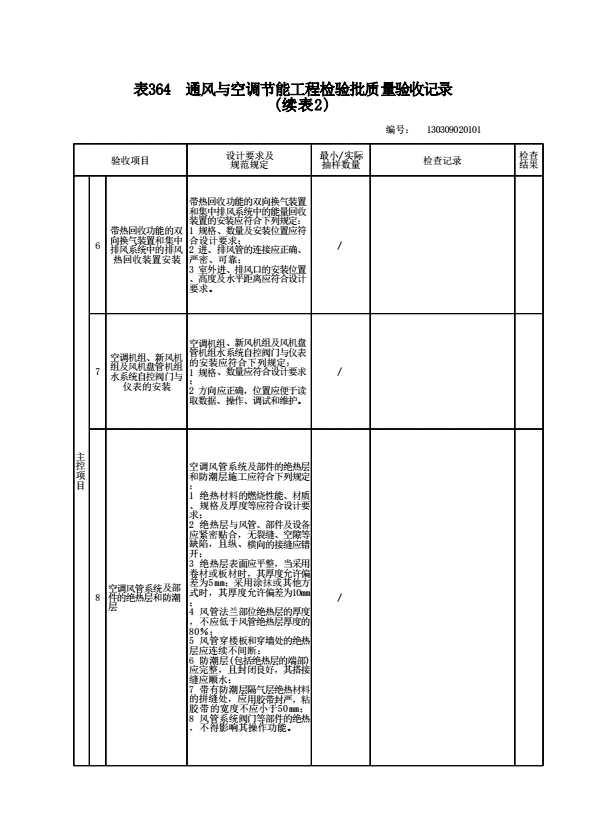
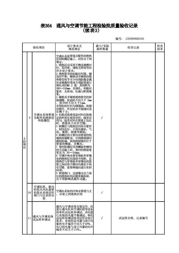
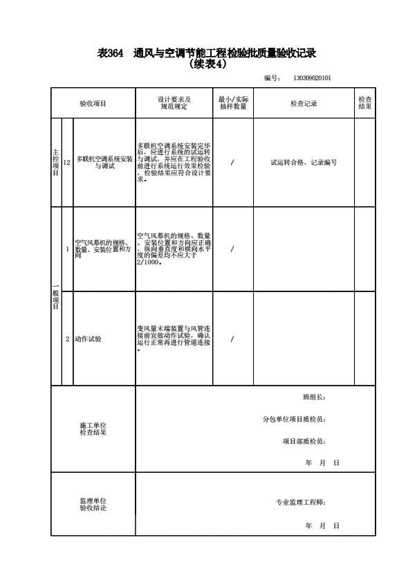
130309020101 通风与空调节能工程检验批质量验收记录
上级...
130309020101 通风与空调节能工程检验批质量验收记录
表格
下载表格
点击领取首张表格excel
点击查看大图
点击查看大图
点击查看大图
点击查看大图
点击查看大图
下载表格
点击领取首张表格excel
×
下载表格
表格名称:130309020101 通风与空调节能工程检验批质量验收记录
所需N币:
N币
(我有
)N币)
您的N币不足,请先充值。
充值N币
充值N币
下载
取消
×
分享页面
QQ分享
空间分享
微信分享
微博分享