|
云上资料软件
登录
/
注册
免费注册
登录
首页
软件下载
购买
首页
资料软件
(下载)
云上资料软件
(下载)
在线表格
求职招聘
服务平台
那云知道
当前位置:
表格库
>
西藏
>
电力电网
>
10kV~500kV输变电及配电工程质量验收与评定标准(Q、CSG 411002-2012)
>
第五册:继电保护(下篇)
>
附录B 变电继电保护 分部、分项工程质量验收记录表
>
14. 10kV~35kV电容器间隔保护 分部、分项工程质量验收记录表
>
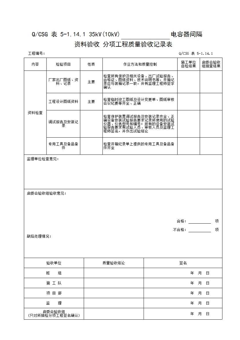
QCSG 表 5-1.14.1 35kV(lOkV)______电容器间隔资料验收 分项工程质量验收记录表
上级...
QCSG 表 5-1.14.1 35kV(lOkV)______电容器间隔资料验收 分项工程质量验收记录表
表格
下载表格
点击领取首张表格excel
点击查看大图
下载表格
点击领取首张表格excel
×
下载表格
表格名称:QCSG 表 5-1.14.1 35kV(lOkV)______电容器间隔资料验收 分项工程质量验收记录表
所需N币:
N币
(我有
)N币)
您的N币不足,请先充值。
充值N币
充值N币
下载
取消
×
分享页面
QQ分享
空间分享
微信分享
微博分享