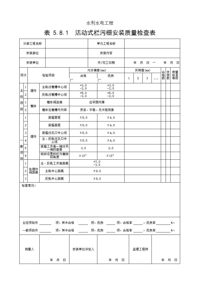
表5.8.1活动式栏污栅安装质量检查表
填表说明
填表时必须遵守“填表基本规定”,并符合以下要求。1.分布工程、单元工程名称填写要与表5.8相同。2.检验(测)方法及数量。
|
检验项目 |
检验方法 |
检验数量 |
|
主轨对栅槽中心线 |
钢丝线、垂球、钢板尺、 水准仪、全站仪 |
每米至少测1点 |
|
反轨对栅槽中心线 |
||
|
底槛里程 |
两端各测1个点,中间测1~3个点 |
|
|
低槛高程 |
||
|
低槛对孔口中心线 |
- |
|
|
主、反轨对孔口中心线 |
每米至少测1个点 |
|
|
低槛工作面一端对另一端的高差 |
- |
|
|
倾斜设置的栏污栅倾斜角度 |
- |
|
|
栅体间连接 |
检查 |
- |
|
栅体在栅槽内升降 |
||
|
主、反轨工作面距离 |
钢丝线、垂球、钢板尺、 水准仪、全站仪 |
每米测1个点 |
|
主轨中心距离 |
||
|
反轨中心距离 |
3.单元工程安装质量检验项目质量标准。(1)合格标准。1)主控项目检测点应100%符合合格标准。2)一般项目检测点应90%及以上符合合格标准,不合格点最大值不应超过其允许偏差值的1.2倍,且不合格点不应集中。(2)优良标准在合格标准基础上,主控项目和一般项目的所有检测点应90%及以上符合优良标准。