上级...

表7.14 箱、罐及其他容器安装单元工程质量验收评定表

填写规范


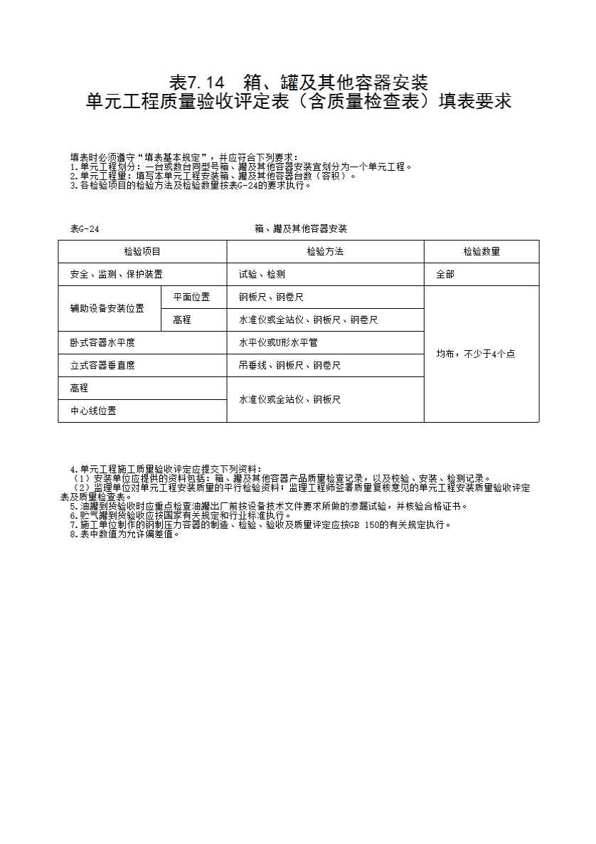
表7.14  箱、罐及其他容器安装单元工程质量验收评定表(含质量检查表)填表要求

  填表时必须遵守“填表基本规定”,并应符合下列要求:
  1.单元工程划分:一台或数台同型号箱、罐及其他容器安装宜划分为一个单元工程。
  2.单元工程量:填写本单元工程安装箱、罐及其他容器台数(容积)。
  3.各检验项目的检验方法及检验数量按表G-24的要求执行。

  4.单元工程施工质量验收评定应提交下列资料:
  (1)安装单位应提供的资料包括:箱、罐及其他容器产品质量检查记录,以及校验、安装、检测记录。
  (2)监理单位对单元工程安装质量的平行检验资料;监理工程师签署质量复核意见的单元工程安装质量验收评定表及质量检查表。
  5.油罐到货验收时应重点检查油罐出厂前按设备技术文件要求所做的渗漏试验,并核验合格证书。
  6.贮气罐到货验收应按国家有关规定和行业标准执行。
  7.施工单位制作的钢制压力容器的制造、检验、验收及质量评定应按GB 150的有关规定执行。
  8.表中数值为允许偏差值。