上级...

表1.13 护坡垫层单元工程施工质量验收评定表

填写规范


表1.13  护坡垫层单元工程施工质量验收评定表填表要求

  填表时必须遵守“填表基本规定”,并应符合下列要求:
  1.护坡垫层采用的石料质量指标应符合设计要求。
  2.单元工程划分:与护坡(干砌石)单元工程相对应,宜以施工检查验收的区、段划分,每一区、段划分为一个单元工程。
  3.单元工程量填写本单元护坡垫层工程量(m)。
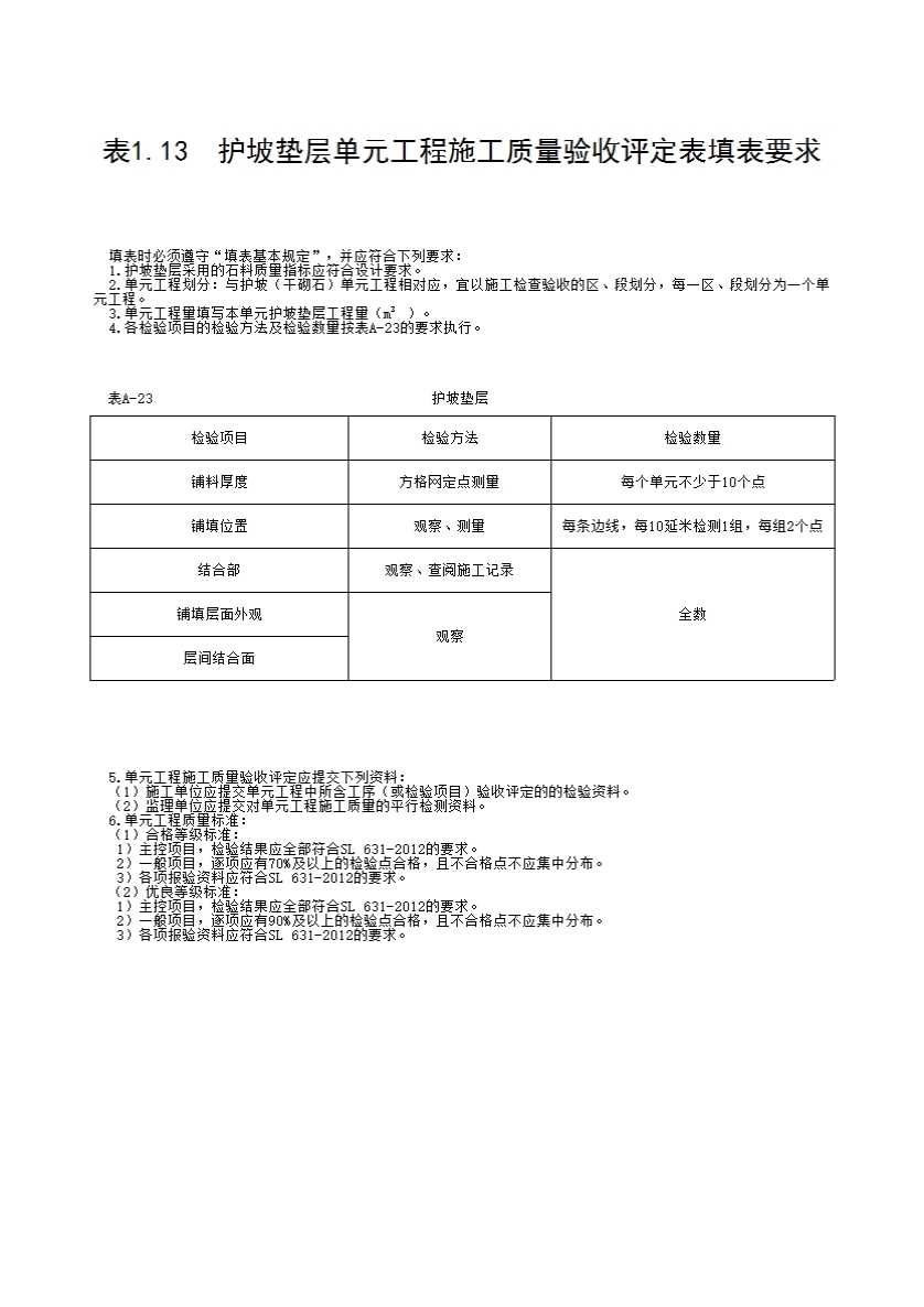
  4.各检验项目的检验方法及检验数量按表A-23的要求执行。

  5.单元工程施工质量验收评定应提交下列资料:
  (1)施工单位应提交单元工程中所含工序(或检验项目)验收评定的的检验资料。
  (2)监理单位应提交对单元工程施工质量的平行检测资料。
  6.单元工程质量标准:
  (1)合格等级标准:
   1)主控项目,检验结果应全部符合SL 631-2012的要求。
   2)一般项目,逐项应有70%及以上的检验点合格,且不合格点不应集中分布。
   3)各项报验资料应符合SL 631-2012的要求。
  (2)优良等级标准:
   1)主控项目,检验结果应全部符合SL 631-2012的要求。
   2)一般项目,逐项应有90%及以上的检验点合格,且不合格点不应集中分布。
   3)各项报验资料应符合SL 631-2012的要求。