|
云上资料软件
登录
/
注册
免费注册
登录
首页
软件下载
购买
首页
资料软件
(下载)
云上资料软件
(下载)
在线表格
求职招聘
服务平台
那云知道
当前位置:
表格库
>
天津
>
工业设备及管道
>
《铁路通信工程施工质量验收标准》(TB 10418-2018)
>
13 时间同步
>
时间同步网设备安装
>
07130101 时间同步设备进场检验、安装、配线、防雷及接地
>
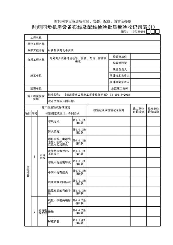
07130101 【时间同步设备进场检验、安装、配线、防雷及接地】时间同步机房设备布线及配线检验批质量验收记录表(Ⅱ)
上级...
07130101 【时间同步设备进场检验、安装、配线、防雷及接地】时间同步机房设备布线及配线检验批质量验收记录表(Ⅱ)
表格
下载表格
点击领取首张表格excel
点击查看大图
点击查看大图
下载表格
点击领取首张表格excel
×
下载表格
表格名称:07130101 【时间同步设备进场检验、安装、配线、防雷及接地】时间同步机房设备布线及配线检验批质量验收记录表(Ⅱ)
所需N币:
N币
(我有
)N币)
您的N币不足,请先充值。
充值N币
充值N币
下载
取消
×
分享页面
QQ分享
空间分享
微信分享
微博分享