|
云上资料软件
登录
/
注册
免费注册
登录
首页
软件下载
购买
首页
资料软件
(下载)
云上资料软件
(下载)
在线表格
求职招聘
服务平台
那云知道
当前位置:
表格库
>
天津
>
公路
>
道路工程资料
>
公路资料员一本通目录
>
第七章 公路隧道、小桥及涵洞施工资料与质量评定
>
第一节 公路隧道工程施工资料与质量评定
>
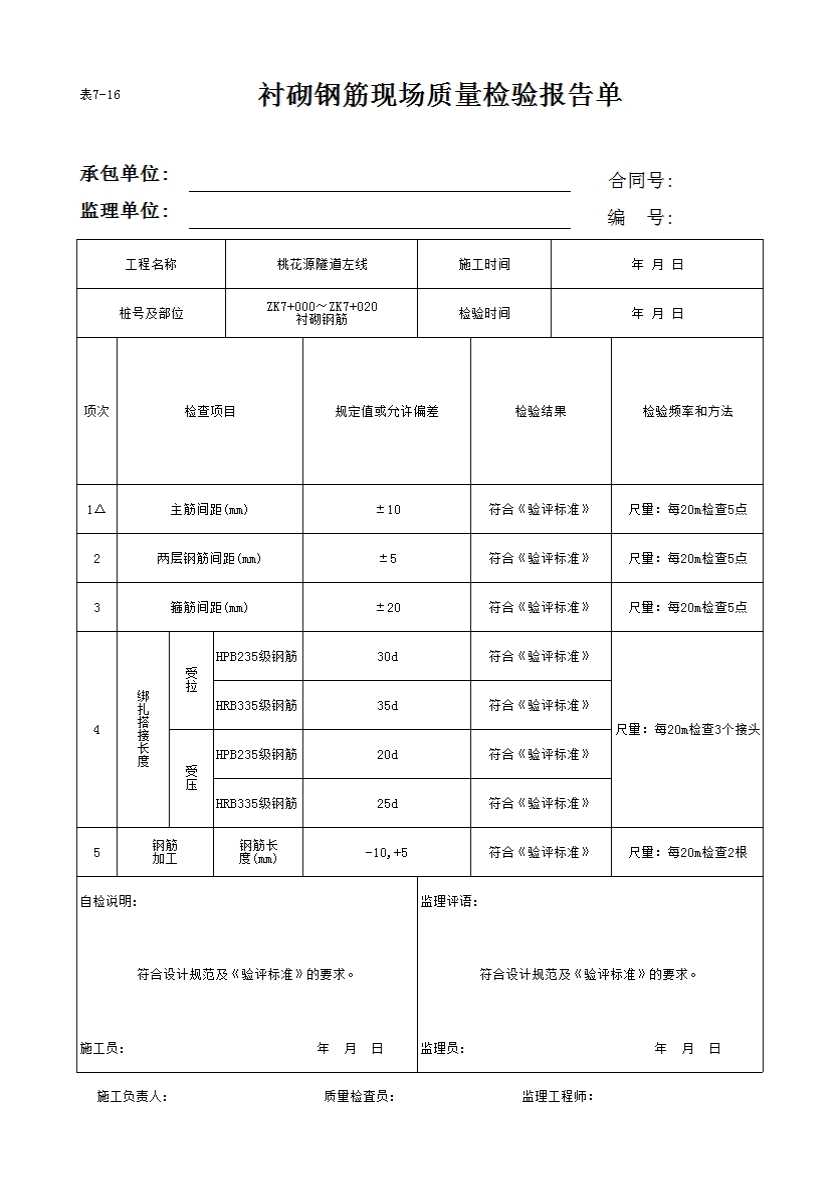
表7-16 衬砌钢筋现场质量检验报告单
上级...
表7-16 衬砌钢筋现场质量检验报告单
表格
下载表格
点击领取首张表格excel
点击查看大图
下载表格
点击领取首张表格excel
×
下载表格
表格名称:表7-16 衬砌钢筋现场质量检验报告单
所需N币:
N币
(我有
)N币)
您的N币不足,请先充值。
充值N币
充值N币
下载
取消
×
分享页面
QQ分享
空间分享
微信分享
微博分享