|
云上资料软件
登录
/
注册
免费注册
登录
首页
软件下载
购买
首页
资料软件
(下载)
云上资料软件
(下载)
在线表格
求职招聘
服务平台
那云知道
当前位置:
表格库
>
天津
>
房建
>
《天津市建筑工程施工质量验收资料管理规程》DBT 29-209-2020
>
常用检验批质量验收记录表
>
主体结构
>
铝合金结构
>
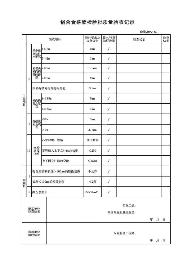
津资JYP2-53 铝合金幕墙结构总拼和安装检验批质量验收记录
上级...
津资JYP2-53 铝合金幕墙结构总拼和安装检验批质量验收记录
表格
下载表格
点击领取首张表格excel
点击查看大图
点击查看大图
下载表格
点击领取首张表格excel
×
下载表格
表格名称:津资JYP2-53 铝合金幕墙结构总拼和安装检验批质量验收记录
所需N币:
N币
(我有
)N币)
您的N币不足,请先充值。
充值N币
充值N币
下载
取消
×
分享页面
QQ分享
空间分享
微信分享
微博分享