|
云上资料软件
登录
/
注册
免费注册
登录
首页
软件下载
购买
首页
资料软件
(下载)
云上资料软件
(下载)
在线表格
求职招聘
服务平台
那云知道
当前位置:
表格库
>
天津
>
房建
>
监理、建设及施工单位用表
>
施工单位用表
>
津资 施工验收资料
>
津资-7 检验批质量验收
>
给排水与采暖
>
供热锅炉及辅助设备安装
>
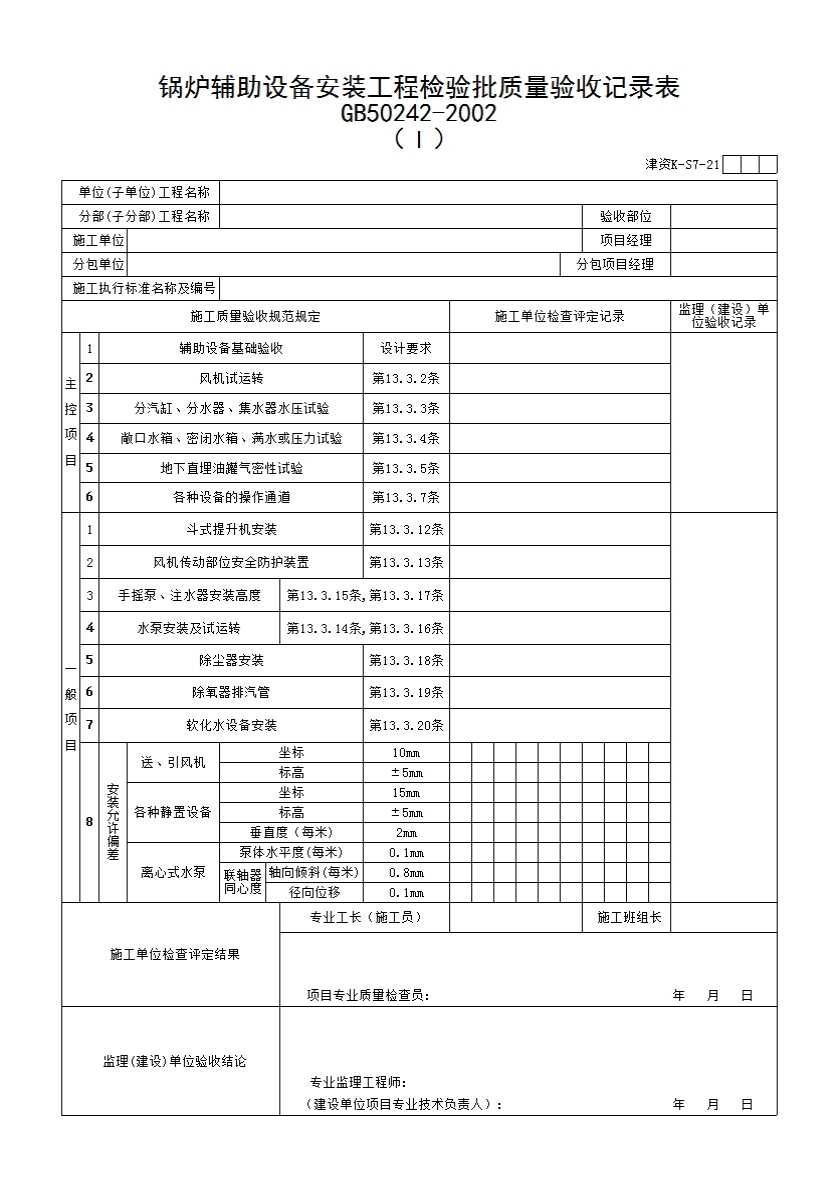
津资K-S7-21 锅炉辅助设备安装工程检验批质量验收记录表
上级...
津资K-S7-21 锅炉辅助设备安装工程检验批质量验收记录表
表格
下载表格
点击领取首张表格excel
点击查看大图
下载表格
点击领取首张表格excel
×
下载表格
表格名称:津资K-S7-21 锅炉辅助设备安装工程检验批质量验收记录表
所需N币:
N币
(我有
)N币)
您的N币不足,请先充值。
充值N币
充值N币
下载
取消
×
分享页面
QQ分享
空间分享
微信分享
微博分享