上级...

01020506_钢管内钢筋骨架检验批质量验收记录

填写规范


钢管内钢筋骨架检验批质量验收记录表

一、检验批划分

应与各分项工程检验批一致。

二、主控项目
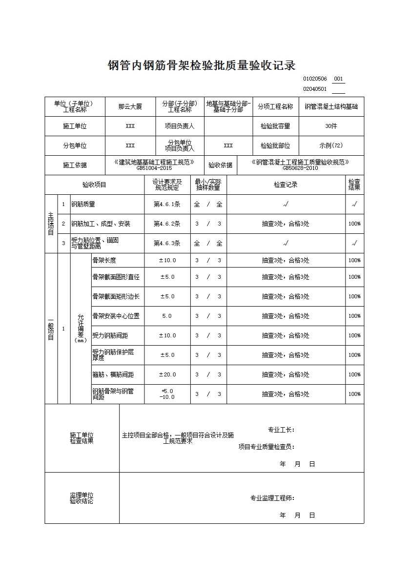
4.6.1 钢管内钢筋骨架的钢筋品种、规格、数量应符合设计要求。
检查数量:全数检查。
检验方法:观察检查、卡尺测量、检查产品出厂合格证和检查进场复测报告。
4.6.2 钢筋加工钢筋骨架成形和安装质量应符合《混凝土结构工程施工质量验收规范》GB50204的规定。
检查数量:按每一工作班同一类加工形式的钢筋抽查不少于3件。
检验方法:观察检查、尺量检查。

4.6.3 受力钢筋的位置、锚固长度及管壁之间的间距应符合设计要求。
检查数量:全数检查。
检验方法:观察检查、尺量检查。

三、一般项目

4.6.4 钢筋骨架尺寸和安装允许偏差应符合表4.6.4的规定。
检查数量:同批构件抽查10%,且不少于3件。

检验方法:见表4.6.4。

4.6.4 钢筋骨架尺寸和安装允许偏差

项次

检验项目

允许偏差

检验方法

1

钢筋骨架

长度

±10

尺量检查

截面

圆形直径

±5

尺量检查

矩形边长

±5

尺量检查

钢筋骨架安装中心位置

5

尺量检查

2

受力钢筋

间距

±10

尺量检查,测量两端、

中间各一点,取最大值

保护层厚度

±5

尺量检查

3

箍筋、横筋间距

±20

尺量检查,连续三档,取最大值

4

钢筋骨架与钢管间距

+5,-10

尺量检测

示例