|
云上资料软件
登录
/
注册
免费注册
登录
首页
软件下载
购买
首页
资料软件
(下载)
云上资料软件
(下载)
在线表格
求职招聘
服务平台
那云知道
当前位置:
表格库
>
四川
>
水利
>
水利水电工程单位工程施工质量验收评定标准(2012)
>
堤防工程(SL 643-2012)
>
5 土料碾压筑堤
>
表 5.0.6 土料碾压工序施工质量验收评定表
上级...
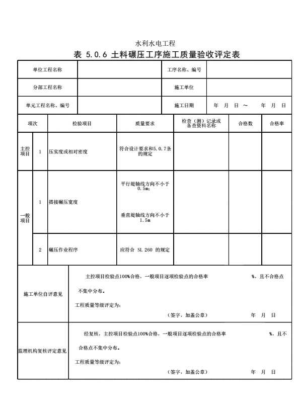
表 5.0.6 土料碾压工序施工质量验收评定表
表格
下载表格
点击领取首张表格excel
点击查看大图
下载表格
点击领取首张表格excel
×
下载表格
表格名称:表 5.0.6 土料碾压工序施工质量验收评定表
所需N币:
N币
(我有
)N币)
您的N币不足,请先充值。
充值N币
充值N币
下载
取消
×
分享页面
QQ分享
空间分享
微信分享
微博分享