上级...

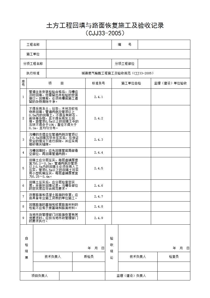
2 土方工程回填与路面恢复施工及验收记录

填写规范


2.4.1管道主体安装 检验合格后,沟槽应及时回填,但需留出未检验的安装接口。回填前,必须将槽底施工遗留的杂物清除干净。

对特殊地段,应经监理(建设)单位认可,并采取有效的技术措施,方可在管道焊接、防腐检验合格后全部回填。

2.4.2不得采用冻土、垃圾、木材及软性物质回填。管道两侧及管顶以上0.5m内的回填土,不得含有碎石、砖块等杂物,且不得采用灰土问填。距管顶0.5m以上的回填土中的石块不得多于10%、直径不得大于0.1m,且均匀分布。

2.4.3沟槽的支撑应在 管道两侧及管顶以上0.5m回填完毕并压实后,在保证安全的情况下进行拆除,并应采用细砂填实缝隙。

2.4.4沟槽回填时,应先回填管底局部悬空部位,再回填管道两侧。

2.4.5回填土应分层压实, 每层虚铺厚度宜为0.2~ 0.3m,管道两侧及管顶以上0.5m内的回填土必须采用人工压实,管顶0.5m .以上的回填土可采用小型机械压实,每层虛铺厚度宜为0.25 ~0.4m。

2.4.6回填土压实后, 应分层检查密实度,并做好回填记录。

沟槽各部位的密实度应符合下列要求(图 2.4.6):

2.4.6,回填土断面图

1()()区部位,密实度不应小于90%;

2()区部位,密实度应符合相应地面对密实度的要求。

2.4.7沥青路面和混凝土路面的恢复,应由具备专业施工资质的单位施工。

2.4.8回填路面的基础和修复路面材料的性能不应低于原基础和路面材料。

2.4.9当地市政管 理部门对路面恢复有其他要求时,应按当地市政管理部门的要求执行。