一、检验批划分
按钢管构件现场拼装实际情况划分检验批。
二、主控项目
1.构件上缀件数量、位置:应符合设计要求。
(1)检查数量:全数检查。
(2)检验方法:观察检查、尺量检查。
2.拼接的方式、程序、方法:应符合现行国家产品标准和设计要求。
(1)检查数量:全数检查。
(2)检验方法:检查复验报告。
3.焊接材料:应符合设计要求和现行国家标准的有关规定。
(1)检查数量:全数检查。
(2)检验方法:检查施工记录。
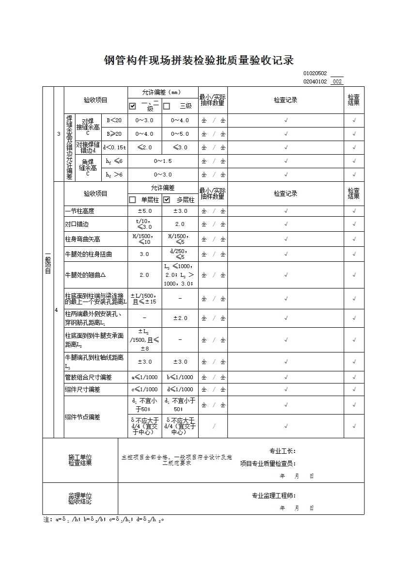
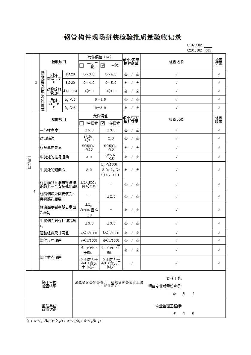
4.焊缝质量(一、二):应符合设计要求和规范规定。
(1)检查数量:全数检查。
(2)检验方法:检查施工记录及焊缝检测报告。
三、一般项目
1.拼装场地条件:应符合专项施工方案的要求。
(1)检查数量:全数检查。
(2)检验方法:观感检查、尺量检查。
2. 缺陷类型:应符合表4.2.6的规定。
(1)检查数量:同批构件抽查10%,且不少于3件。
(2)检验方法:观察检查、尺量检查。
表4.2.6二、三级焊缝外观质量标准
|
项目 |
允许偏差 |
|
|
缺陷类型 |
二级 |
三级 |
|
未焊满 (指不足设计要求) |
≤0.2+0.02t,且不应大于1.0 |
≤0.2+0.04t,且不应大于2.0 |
|
每100.0焊缝内缺陷总长不应大于25.0 |
||
|
根部收缩 |
≤0.2+0.02t,且不应大于1.0 |
≤0.2+0.04t,且不应大于2.0 |
|
长度不限 |
|
|
|
咬边 |
≤0. 05t,且不应大于0.5;连续长度≤100.0,且焊缝两侧咬边总长不应大于10%焊缝全长。 |
≤0.1t,且不应大于1.0,长度不限 |
|
弧坑裂纹 |
- |
允许存在个别长度≤5.0的弧坑裂纹 |
|
电弧擦伤 |
- |
允许存在个别电弧擦伤 |