|
云上资料软件
登录
/
注册
免费注册
登录
首页
软件下载
购买
首页
资料软件
(下载)
云上资料软件
(下载)
在线表格
求职招聘
服务平台
那云知道
当前位置:
表格库
>
山西
>
水运
>
港口设备安装工程质量检验标准(JTJ244-2005)
>
7 管道及附属设备
>
支架制作及安装检验批质量验收记录表
上级...
支架制作及安装检验批质量验收记录表
表格
填写规范
下载表格
点击领取首张表格excel
点击查看大图
点击查看大图
下载表格
点击领取首张表格excel
填写规范
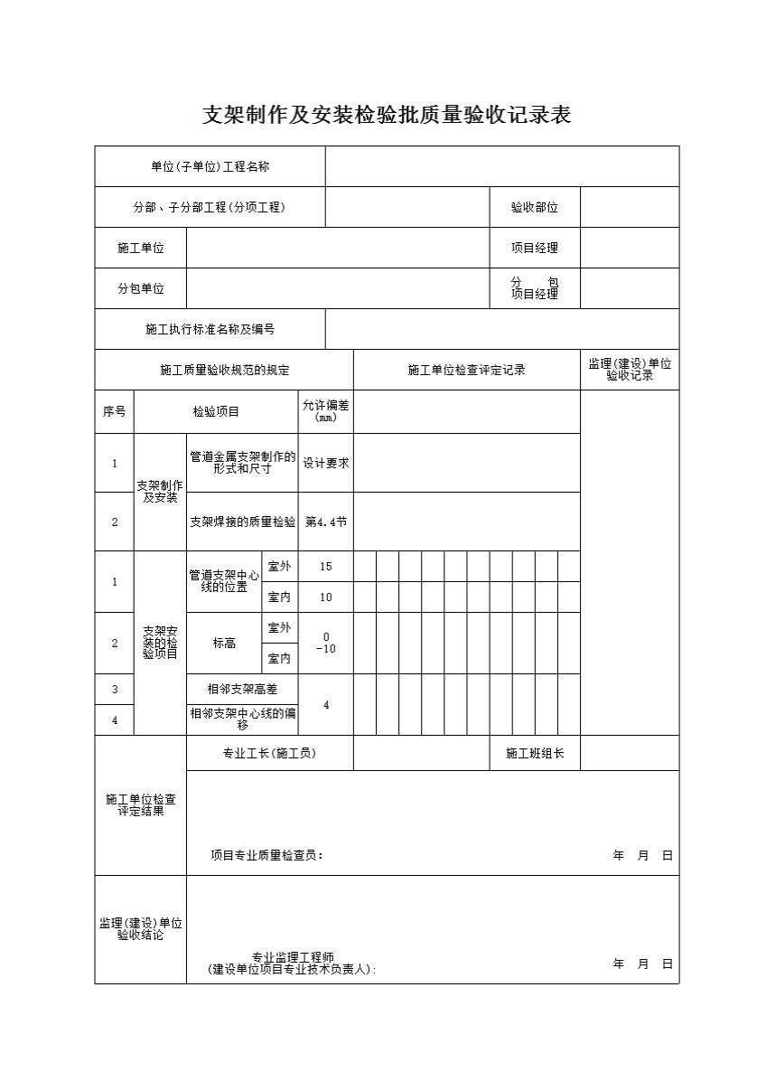
9.3.1 管道金属支架制作的型式和尺寸应满足设计要求, 支架安装面与支承面应平整, 不得有明显扭曲和变形。 检验数量和方法
应为全数检查施工记录并观察检查。
9.3.2 支架焊接的质量检验应符合第4.4 节的有关规定。
9.3.3 支架安装的检验项目、 要求和方法应符合表9.3.3 的规定。
×
下载表格
表格名称:支架制作及安装检验批质量验收记录表
所需N币:
N币
(我有
)N币)
您的N币不足,请先充值。
充值N币
充值N币
下载
取消
×
分享页面
QQ分享
空间分享
微信分享
微博分享