上级...

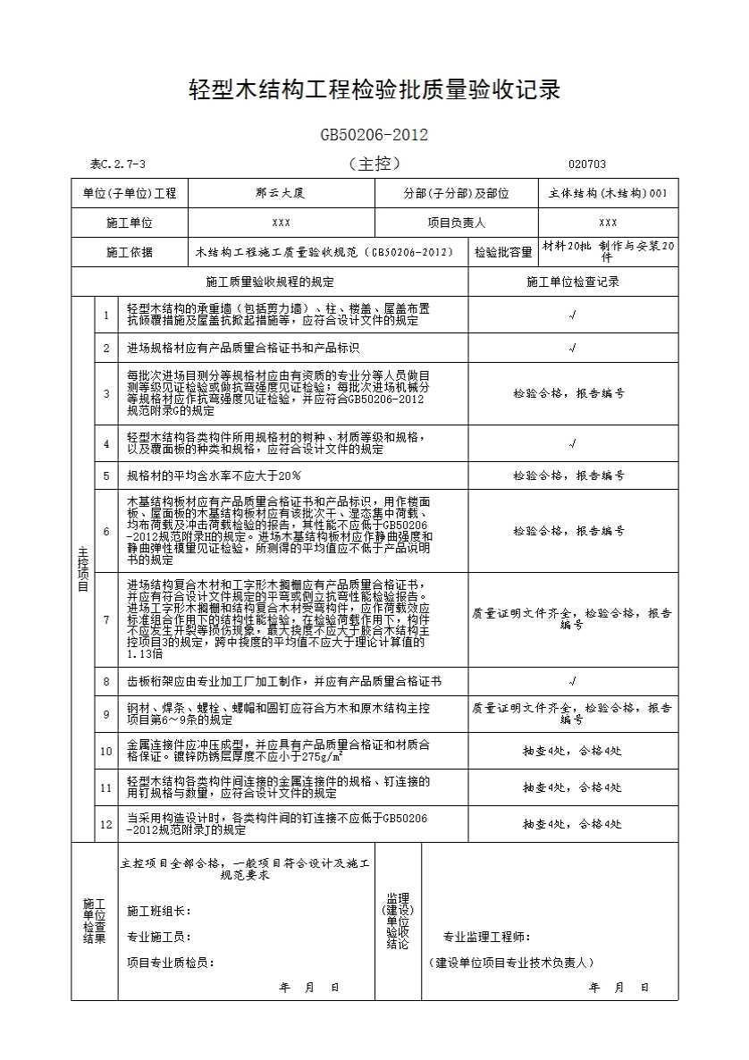
020703 轻型木结构工程检验批质量验收记录

填写规范


轻型木结构检验批质量验收记录 

一、检验批划分

轻型木结构材料、构配件的质量控制应以同一建设项目同期施工的每幢建筑面积不超过300㎡、总建筑面积不超过3000㎡的轻型木结构建筑为一个检验批,不足3000㎡者应视为一个检验批,单位建筑棉结超过300㎡时,应单独视为一个检验批,轻型木结构制作安装质量控制应以一幢房屋的一层为一个检验批。 

二、主控项目  

6.2.1 轻型木结构的承重墙(包括剪力墙)、柱、楼盖、屋盖布置、抗倾覆措施及屋盖抗掀起措施等,应符合设计文件的规定。 

检查数量:检验批全数。 

检验方法:实物与设计文件对照。 

6.2.2 进场规格材应有产品质量合格证书和产品标识。 

检查数量:检验批全数。 

检验方法:实物与证书对照。 

6.2.3 每批次进场目测分等规格材应由有资质的专业分等人员做目测等级见证检验或做抗弯强度见证检验;每批次进场机械分等规格材应作抗弯强度见证检验,并应符合本规范附录G的规定。 

检查数量:检验批中随机取样,数量应符合本规范附录G的规定。 

检验方法:本规范附录G 。 

6.2.4 轻型木结构各类构件所用规格材的树种、材质等级和规格,以及覆面板的种类和规格,应符合设计文件的规定。 

检查数量:全数检查。 

检验方法:实物与设计文件对照,检查交接报告。 

6.2.5 规格材的平均含水率不应大于20%。 

检查数量:每一检验批每一树种每一规格等级规格材随机抽取5根。 

检验方法:本规范附录C。 

6.2.6 木基结构板材应有产品质量合格证书和产品标识,用作楼面板、屋面板的木基结构板材应有该批次干、湿态集中荷载、均布荷载及冲击荷载检验的报告,其性能不应低于本规范附录H的规定。 

进场木基结构板材应作静曲强度和静曲弹性模量见证检验,所测得的平均值应不低于产品说明书的规定。 

检验数量:每一检验批每一树种每一规格等级随机抽取3张板材。 

检验方法:按现行国家标准《木结构覆板用胶合板》GB/T22349 的有关规定进行见证试验,检查产品质量合格证书,该批次木基结构板干、湿态集中力、均布荷载及冲击荷载下的检验合格证书。检查静曲强度和弹性模量检验报告。 

6.2.7 进场结构复合木材和工字形木搁栅应有产品质量合格证书,并应有符合设计文件规定的平弯或侧立抗弯性能检验报告。 

进场工字形木搁栅和结构复合木材受弯构件,应作荷载效应标准组合作用下的结构性能检验,在检验荷载作用下,构件不应发生开裂等损伤现象,最大挠度不应大于表5.2.3的规定,跨中挠度的平均值不应大于理论计算值的1.13倍。 

检验数量:每一检验批每一规格随机抽取3根。 

检验方法:按本规范附录F的规定进行,检查产品质量合格证书、结构复合木材材料强度和弹性模量检验报告及构件性能检验报告。 

6.2.8 齿板桁架应由专业加工厂加工制作,并应有产品质量合格证书。 

检查数量:检验批全数。 

检验方法:实物与产品质量合格证书对照检查。 

6.2.9 钢材、焊条、螺栓和圆钉应符合本规范第4.2.6~4.2.9条的规定。 

6.2.10 金属连接件应冲压成型,并应具有产品质量合格证书和材质合格保证。镀锌防锈层厚度不应小于275g/m2。 

检查数量:检验批全数。 

检验方法:实物与产品质量合格证书对照检查。 

6.2.11 轻型木结构各类构件间连接的金属连接件的规格、钉连接的用钉规格与数量,应符合设计文件的规定。 

检查数量:检验批全数。 

检验方法:目测、丈量。 

6.2.12 当采用构造设计时,各类构件间的钉连接不应低于本规范附录J的规定。 

检查数量:检验批全数。 

检验方法:目测、丈量。 

三、一般项目 

6.3.1 承重墙(含剪力墙)的下列各项应符合没汁文件的规定,且不应低于现行国家标准《木结构设计规范》GB 50005有关构造的规定: 

1 墙骨间距。 

2 墙体端部、洞口两侧及墙体转角和交接处,墙骨的布置和数量。 

3 墙骨开槽或开孔的尺寸和位置。 

4 地梁板的防腐、防潮及与基础的锚固措施。 

5 墙体顶梁板规格材的层数、接头处理及在墙体转角和交接处的两层顶梁板的布置。 

6 墙体覆面板的等级、厚度及铺钉布置方式。 

7 墙体覆面板与墙骨钉连接用钉的间距。 

8 墙体与楼盖或基础间连接件的规格尺寸和布置。 

检查数量:检验批全数。 

检验方法:对照实物目测检查。 

6.3.2 楼盖下列各项应符合设计文件的规定,且不应低于现行国家标准《木结构设计规范》GB 50005有关构造的规定: 

1 拼合梁钉或螺栓的排列、连续拼合梁规格材接头的形式和位置。 

2 搁栅或拼合梁的定位、间距和支承长度。 

3 搁栅开槽或开孔的尺寸和位置。 

4 楼盖洞口周围搁栅的布置和数量;洞口周围搁栅问的连接、连接件的规格尺寸及布置。 

5 楼盖横撑、剪刀撑或木底撑的材质等级、规格尺寸和布置。 

检查数量:检验批全数。 

检验方法:目测、丈量。 

6.3.3 齿板桁架的进场验收,应符合下列规定: 

1 规格材的树种、等级和规格应符合设计文件的规定。 

2 齿板的规格、类型应符合设计文件的规定。 

3 桁架的几何尺寸偏差不应超过表6.3.3的规定。 

4 齿板的安装位置偏差不应超过图6.3.3-1所示的规定 

6.3.3 桁架制作允许偏差(mm) 

  

相同桁架间尺寸差 

与设计尺寸间的误差 

桁架长度 

12.5 

18.5 

桁架高度 

6.5 

12.5 

5 齿板连接的缺陷面积,当连接处的构件宽度大于50mm时,不应超过齿板与该构件接触面积的20%;当构件宽度小于50mm时,不应超过齿板与该构件接触面积的10%。缺陷面积应为齿板与构件接触面范围内的木材表面缺陷面积与板齿倒伏面积之和。 

  

6 齿板连接处木构件的缝隙不应超过图6.3.3-2所示的规定。除设计文件有特殊规定外,宽度超过允许值的缝隙,均应有宽度不小于19mm、厚度与缝隙宽度相当的金属片填实,并应有螺纹钉固定在被填塞的构件上。 

检查数量:检验批全数的20%。 

检验方法:目测、量器测量。 

6.3.4 屋盖下列各项应符合设计文件的规定,且不应低于现行国家标准《木结构没汁规范》GB 50005有关构造的规定: 

1 椽条、天棚搁栅或齿板屋架的定位、间距和支承长度; 

2 屋盖洞口周围椽条与顶棚搁栅的布置和数量;洞口周围椽条与顶棚搁栅间的连接、连接件的规格尺寸及布置; 

3 屋面板铺钉方式及与搁栅连接用钉的间距。 

检查数量:检验批全数。 

检验方法:钢尺或卡尺量、目测。 

  

6.3.5 轻型木结构各种构件的制作与安装偏差,不应大于本规范表E.0.4的规定。 

检查数量:检验批全数。 

检验方法:本规范表E.0.4。   

6.3.6 轻型木结构的保温措施和隔气层的设置等,应符合设计文件的规定。 

检查数量:检验批全数。 

检验方法:对照设计文件检查。 


示例