上级...

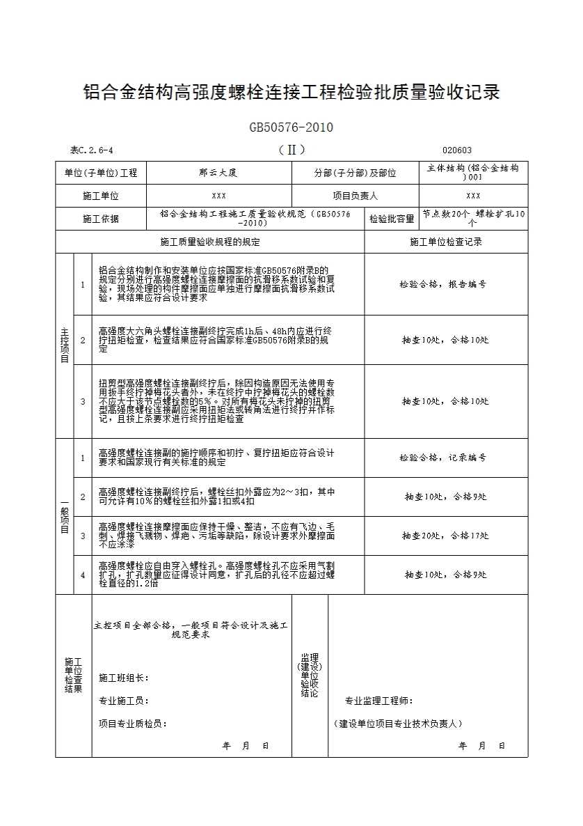
020603 铝合金结构高强度螺栓连接工程检验批质量验收记录(Ⅱ)

填写规范


 

高强度螺栓连接检验批质量验收记录

本表适用于铝合金结构制作和安装中的高强度螺栓、高强度大六角头螺栓等连接工程的质量验收。

一、检验批划分

按相应的铝合金结构制作或安装检验批的划分原则划分为一个或若干个检验批。

二、主控项目

6.3.1 铝合金结构制作和安装单位应按本规范附录B的规定分别进行高强度螺栓连接摩擦面的抗滑移系数试验和复验,现场处理的构件摩擦面应单独进行摩擦面抗滑移系数试验,试验结果应符合设计要求。

检查数量:见本规范附录B。

检验方法:检查摩擦面抗滑移系数试验报告和复验报告。

6.3.2 高强度大六角头螺栓连接副终拧完成1h后、48h内应进行终拧矩检查,检查结果应符合本规范附录B的规定。

检查数量:按节点数抽查10%,且不应少于10个;每个被抽查节点按螺栓数抽查10%,且不应少于2个。

检验方法:见本规范附录B。

6.3.3 扭剪型高强度螺栓连接副终拧后,除因构造原因无法使用专用扳手终拧掉梅花头者外,未在终拧中拧掉梅花头的螺栓数不应大于该节点螺栓数的5%。对所有梅花头未拧掉的扭剪型高强度螺栓连接副应采用扭矩法或转角法进行终拧并作标记,且按本规范第6.3.2条的规定进行终拧扭矩检查。

检查数量:按节点数抽查10%,且不应少于10个节点;被抽检节点中梅花头未拧掉的扭剪型高强度螺栓连接副全数进行终拧扭矩检查。

检验方法:观察检查及本规范附录B。

三、一般项目

6.3.4 高强度螺栓连接副的施拧顺序和初拧、复拧扭矩应符合设计要求和国家现行有关标准的规定。

检查数量:全数检查资料。

检查方法:检查扭矩扳手标定记录和螺栓施工记录。

6.3.5 高强度螺栓连接副终拧后,螺栓丝扣外露应为2扣~3扣,其中可允许有10%的螺栓丝扣外露1扣或4扣。

检查数量:按节点数抽查5%,且不应少于10个。

检验方法:观察检查。

6.3.6 高强度螺栓连接摩擦面应保持干燥、整洁,不应有飞边、毛刺、焊接飞溅物、焊疤、污垢等缺陷,除设计要求外摩擦面不应涂漆。

检查数量:全数检查。

检验方法:观察检查。

6.3.7 高强度螺栓应自由穿入螺栓孔。高强度螺栓孔不应采用气割扩孔,扩孔数量应征得设计同意,扩孔后的孔径不应超过螺栓直径的1.2倍。

检查数量:被扩螺栓孔全数检查。

检验方法:观察检查及用卡尺检查。


示例