上级...

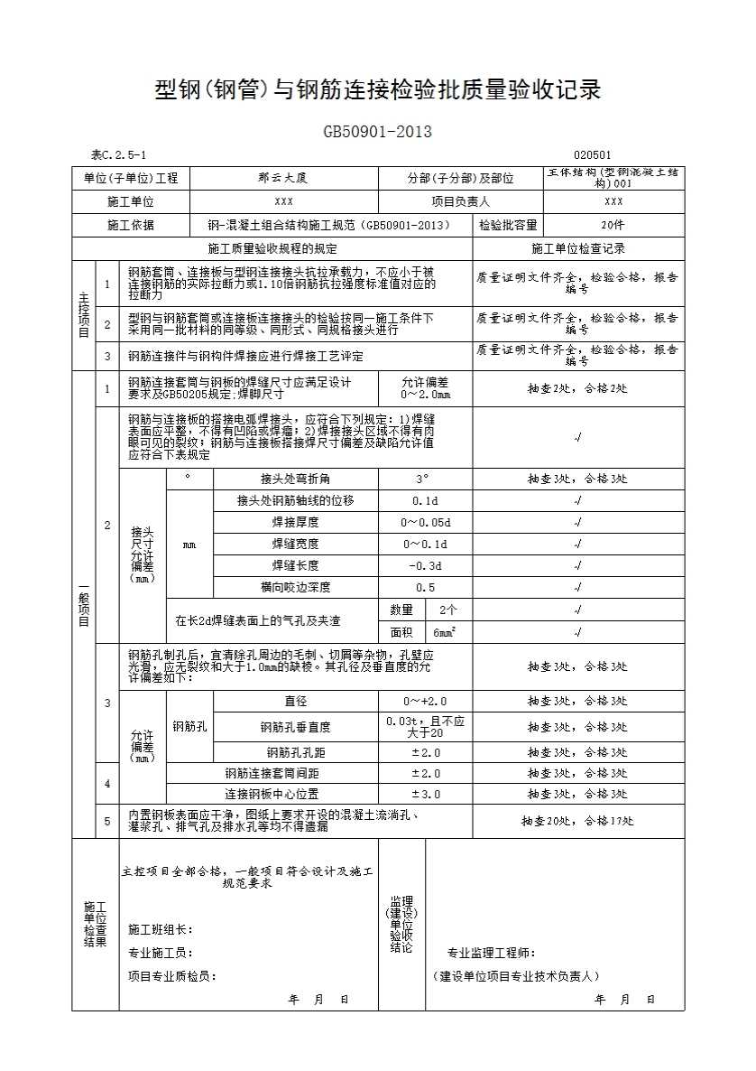
020501 型钢(钢管)与钢筋连接工程检验批质量验收记录

填写规范


一、检验批划分原则: 
按施工段、楼层或变形缝划分检验批。 
检验批质量验收合格应符合下列规定: 
1主控项目质量经抽样检验合格;
2一般项目质量经抽样检验合格;当采用计数检验时,一般项目的合格点率应达到80%及以上,且不得有严重缺陷。
3具有完整的施工操作依据和质量验收记录。 
二、主控项目: 
1检查数量:全数检查。
检查方法:检查产品出厂质量证明文件、接头力学性能检验报告。
2检查数量:每一类须在构件加工厂选取3个代表性的接头试件进行抗拉强度试验。
检查方法:试件制作和检验方法按《钢-混凝土组合结构施工规范》GB50901-2013附录B,钢筋套筒连接抗拉强度检验试验方法进行,检验实验和评定。
3检查数量:全数检查。
检验方法:检查焊接工艺报告。 
三、一般项目: 
1 检查数量:抽查10%,且不应少于3个。
 检查方法:观察检查,用焊缝量规抽查测量。
2检查数量:全数检查。
检查方法:观察检查,钢尺检查。
3检查数量:按钢构件数量抽查10%,且不应少于3件。
检查方法:用游标卡尺或孔径量规检查。
4检查数量:按钢构件数量抽查10%,且不应少于3件。
 检查方法:用钢尺检查。
5 检查数量:全数检查。
 检查方法:观察。


示例