上级...

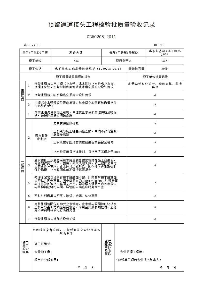
010713 预留通道接头工程检验批质量验收记录

填写规范


预留通道接头检验批质量验收记录

一、检验批划分

按结构层、变形缝或后浇带等施工段划分检验批。

二、主控项目

5.6.1 预留通道接头用中埋式止水带、遇水膨胀止水条或止水胶、预埋注浆管、密封材料和可卸式止水带必须符合设计要求。

检验方法:检查产品合格证、产品性能检测报告和材料进场检验报告。

5.6.2 预留通道接头防水构造必须符合设计要求。

检验数量:全数检查。

检验方法:观察检查和检查隐蔽工程验收记录。

5.6.3 中埋式止水带埋设位置应准确,其中间空心圆环与通道接头中心线应重合。

检验数量:全数检查。

检验方法:观察检查和检查隐蔽工程验收记录。

三、一般项目

5.6.4 预留通道先浇筑混凝土结构:中埋式止水带和预埋件应及时保护,预埋件应进行防锈处理。

检验数量:全数检查。

检验方法:观察检查。

5.6.5 遇水膨胀止水胶施工:应采用专用注胶器挤出粘结在施工缝表面,并做到连续、均匀、饱满,无气泡和孔洞,挤出宽度及厚度应符合设计要求;止水胶挤出成型后,固化期内应采取临时保护措施;止水胶固化前不得浇筑混凝土。

检验数量:全数检查。

检验方法:观察检查和检查隐蔽工程验收记录。

5.6.6 密封材料嵌填应密实、连续、饱满,粘结牢固。

检验数量:全数检查。

检验方法:观察检查和检查隐蔽工程验收记录。

5.6.7 用膨胀螺栓固定可卸式止水带;金属膨胀螺栓防腐:止水带与紧固件压块以及止水带与基面之间应结合紧密;采用金属膨胀螺栓时,应选用不锈钢材料或进行防锈处理。

检验数量:全数检查。

检验方法:观察检查和检查隐蔽工程验收记录。

5.6.8 预留通道接头外部应设保护墙:应符合设计及规范要求。

检验数量:全数检查。

检验方法:观察检查和检查隐蔽工程验收记录。


示例