上级...

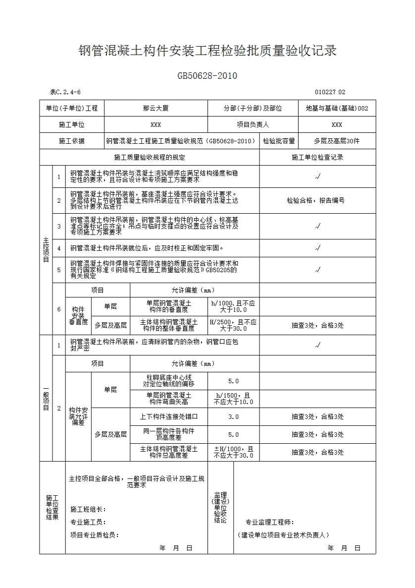
010227 钢管混凝土构件安装工程检验批质量验收记录

填写规范


钢管混凝土构件安装检验批质量验收记录表

一、检验批划分

应与各分项工程检验批一致。

二、主控项目

4.4.1 钢管混凝土构件吊装与混凝土浇筑顺序应符合设计和专项施工方案要求。

检查数量:全数检查。

检验方法:观察检查,检查施工记录。

4.4.2 钢管混凝土构件吊装前,基座混凝土强度应符合设计要求。多层结构上节钢管混凝土构件吊装应在下节钢管内混凝土达到设计要求后进行。

检查数量:全数检查。

检验方法:检查同条件养护试块报告。

4.4.3 钢管混凝土构件吊装前,钢管混凝土构件的中心线、标高基准点等标记应齐全;吊点与临时支撑点的设置应符合设计及专项施工方案要求。

检查数量:全数检查。

检验方法:观察检查。

4.4.4 钢管混凝 土构件吊装就位后,应及时校正和固定牢固。

检查数量:全数检查。

检验方法:观察检查。

4.4.5 钢管混凝土构件焊接与紧固件连接的质量应符合设计要求和现行国家标准《钢结构工程施工质量验收规范》GB 50205的有关规定。

检查数量:全数检查。

检验方法:尺量检查,检查高强度螺栓终拧扭矩记录、施工记录及焊缝检测报告。

4.4.6 钢管混凝土构件垂直度允许偏差应符合表4.4.6的规定。

检查数量:同批构件抽查10%,且不少于3件。

检验方法:见表4.4.6。

4.4.6钢管混凝土构件安装垂直度允许偏差(mm)

项目

允许偏差

检验方法

单层

单层钢管混凝土

构件的垂直度

H/1000,且不应大于10.0

经纬仪、全站仪检查

多层及高层

主体结构钢管混凝土

构件的整体垂直度

H/2500,

且不应大于30.0

经纬仪、全站仪检查

: h为单层钢管混凝土构件的高度,H为多层及高层钢管混凝土构件全高。

三、一般项目

4.4.7 钢管混凝土构件吊装前,应清除钢管内的杂物,钢管口应包封严密。

检查数量:全数检查。

检验方法:观察检查。

4.4.8 钢管混凝土构件安装允许偏差应符合表4.4.8的规定。

检查数量:同批构件抽查10%,且不少于3件。

检验方法:见表4.4.8。

4.4.8钢管混凝土构件安装允许偏差(mm)

项目

允许偏差

检验方法

单层

柱脚底座中心线

对定位轴线的偏移

5.0

吊线和尺量检查

单层钢管混凝土构件弯曲矢高

H/1500,

且不应大于10.0

经纬仪、全站仪检查

多层及高层

上下构件连接处错口

3.0

尺量检查

同一层构件各构件顶高度差

5.0

水准仪检查

主体结构钢管混凝土构件总高度差

±H/1500,

且不应大于10.0

水准仪检查和尺量检查

: h为单层钢管构件高度,H为构件全高。



示例