上级...

010226 钢管混凝土柱柱脚锚固工程检验批质量验收记录

填写规范


钢管混凝土柱柱脚锚固检验批质量验收记录

一、检验批划分

应与各分项工程检验批一致。

二、主控项目
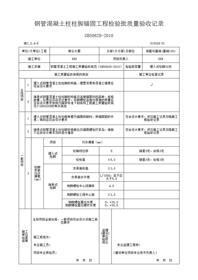
4.3.1 埋入式钢管 混凝土柱柱脚的构造、埋置深度和混凝土强度应符合设计要求。
检查数量:全数检查。
检验方法:观察检查、尺量检查、检查混凝土试件强度报告。

4.3.2 端承式钢管混凝土柱柱脚的构造及连接锚固件的品种、规格、数量、位置应符合设计要求。柱脚螺栓连接与焊接的质量应符合设计要求和现行国家标准《钢结构工程施工质量验收规范》GB 50205的有关规定。

检查数量:全数检查。

检验方法:观察检查,检查柱脚预埋钢板验收记录。

三、一般项目

4.3.3 埋人式钢管混凝土柱柱脚有管内锚固钢筋时,其锚固筋的长度、弯钩应符合设计要求。

检查数量:全数检查。

检验方法:检查施工记录、隐蔽工程验收记录。

4.3.4 端承式钢管 混凝土柱柱脚安装就位及锚固螺栓拧紧后,端板下应按设计要求及时进行灌浆。

检查数量:全数检查。

检验方法:观察检查,检查施工记录。

4.3.5 钢管混凝土柱柱脚安装允许偏差应符合表4.3.5的规定。

检查数量:同批构件抽查10%,且不少于3处。

检验方法:尺量检查。

4.3.5钢管混凝土柱柱脚安装允许偏差(mm)

项目

允许偏差

埋人式柱脚

柱轴线位移

5

柱标高

±5.0

端承式柱脚

支承面标高

±3.0

支承面水平度

L/1000,

且不应大于5.0

地脚螺栓中心线偏移

4.0

地脚螺栓之间中心距

±2.0

地脚螺栓露出长度

地脚螺栓露出螺纹长度

+30.0

+30.0

: L为支承面长度。


示例