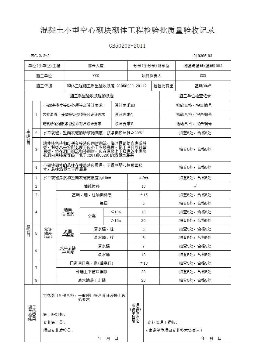
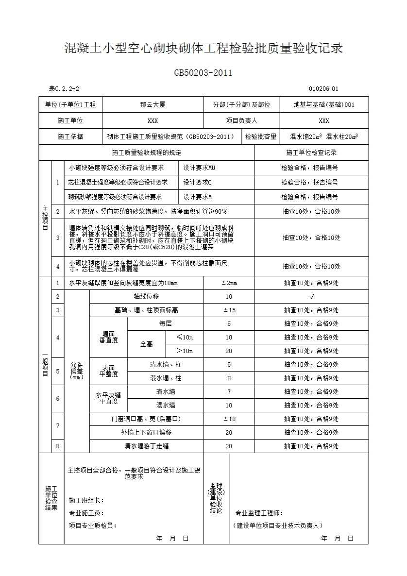
混凝土小型空心砌块砌体检验批质量验收记录
一、检验批划分
3.0.20 砌体结构工程检验批的划分应同时符合下列规定:
1 所用材料类型及同类型材料的强度等级相同;
2 不超过250m³砌体;
3 主体结构砌体-个楼层(基础砌体可按一个楼层计);填充墙砌体量少时可多个楼层合并。
二、主控项目
6.2.1 小砌块和芯柱混 凝土、砌筑砂浆的强度等级必须符合设计要求。
抽检数量:每一生产厂家,每1万块小砌块为一验收批,不足1万块按一批计,抽检数量为1组;用于多层以上建筑的基础和底层的小砌块抽检数量不应少于2组。砂浆试块的抽检数量应执行本规范第4.0.12条的有关规定。
检验方法:检查小砌块和芯柱混凝土、砌筑砂浆试块试验报告。
6.2.2 砌体水平灰缝和竖向灰缝的砂浆饱满度,按净面积计算不得低于90%。
抽检数量:每检验批抽查不应少于5处。
检验方法:用专用百格网检测小砌块与砂浆粘结痕迹,每处检测3块小砌块,取其平均值。
6.2.3 墙体转角处和纵横交接处应同时砌筑。临时间断处应砌成斜槎,斜槎水平投影长度不应小于斜槎高度。施工洞口可预留直槎,但在洞口砌筑和补砌时,应在直槎上下搭砌的小砌块孔洞内用强度等级不低于C20 (或Cb20)的混凝土灌实。
抽检数量:每检验批抽查不应少于5处。
检验方法:观察检查。
6.2.4 小砌块砌体的芯柱在楼盖处应贯通,不得削弱芯柱截面尺寸;芯柱混凝土不得漏灌。
抽检数量:每检验批抽查不应少于5处。
检验方法:观察检查。
三、一般项目
6.3.1 砌体的水平 灰缝厚度和竖向灰缝宽度宜为10mm,但不应小于8mm,也不应大于12mm。
抽检数量:每检验批抽查不应少于5处。
检验方法:水平灰缝厚度用尺量5皮小砌块的高度折算;竖向灰缝宽度用尺量2m砌体长度折算。
6.3.2 小砌块砌体尺寸、 位置的允许偏差应按本规范第5. 3.3条的规定执行。
5.3.3 砖砌体尺寸、位置的允许偏差及检验应符合表5.3.3的规定。
5.3.3 砖砌体尺寸、位置的允许偏差及检验
|
项 |
项目 |
允许偏差(mm) |
检验方法 |
抽检数量 |
||
|
1 |
轴线位移 |
10 |
用经纬仪和尺或用其他测量仪器检查 |
承重墙、柱全数检查 |
||
|
2 |
基础、墙、柱顶面标高 |
±15 |
用水准仪和尺检查 |
不应小于5处 |
||
|
3 |
墙面垂直度 |
每层 |
5 |
用2m托线板检查 |
不应小于5处 |
|
|
全 高 |
10m |
10 |
用经纬仪、吊线和尺或其他测量仪器检查 |
外墙全部阳角 |
||
|
10m |
20 |
|||||
|
4 |
表面平整度 |
清水墙、柱 |
5 |
用2m靠尺和楔形塞尺检查 |
不应小于5处 |
|
|
混水墙、柱 |
8 |
|||||
|
5 |
水平灰缝平直度 |
清水墙 |
7 |
拉5m线和尺检查 |
不应小于5处 |
|
|
混水墙 |
10 |
|||||
|
6 |
门窗洞口高、宽(后塞口) |
±10 |
用尺检查 |
不应小于5处 |
||
|
7 |
外墙下下窗口偏移 |
20 |
以底层窗口为准,用经纬仪或吊线检查 |
不应小于5处 |
||
|
8 |
清水墙游丁走缝 |
20 |
以每层第一皮砖为准,用吊线和尺检查 |
不应小于5处 |
||