上级...

010201 模板安装工程检验批质量验收记录(Ⅰ)

填写规范


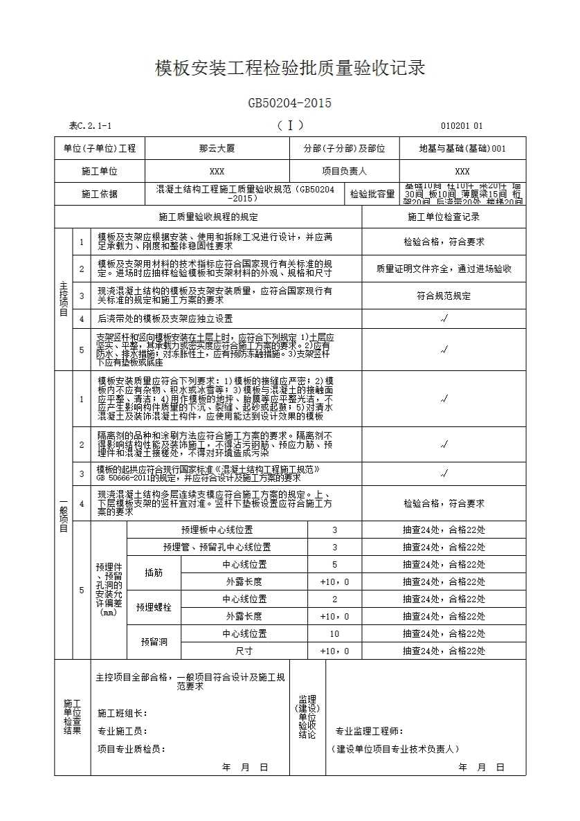
模板安装检验批质量验收记录

一、检验批划分

各分项工程可根据与生产和施工方式相一致且便于控制施工质量的原则,按进场批次、工作班、楼层、结构缝或施工段划分为若干检验批。

二、主控项目

4.2.1 模板及支架用材料的技术指标应符合国家现行有关标准的规定。进场时应抽样检验模板和支架材料的外观、规格和尺寸。

检查数量:按国家现行有关标准的规定确定。

检验方法:检查质量证明文件;观察,尺量。

4.2.2 现浇混凝土结构模板及支架的安装质量,应符合国家现行有关标准的规定和施工方案的要求。

检查数量:按国家现行有关标准的规定确定。

检验方法:按国家现行相关标准的规定执行。

4.2.3 后浇带处的模板及支架应独立设置。

检查数量:全数检查。

检验方法:观察。

4.2.4 支架竖杆或模板安装在土层时,应符合下列规定:

1 模板的接缝应严密;

2 模板内不应有杂物、积水或冰雪等;

3 模板与混凝土的接触面应平整、清洁;

4 用作模板的地坪、胎膜等应平整、清洁,不应有影响构件质量的下沉、裂缝、起砂或起鼓;

5 对清水混凝土及装饰混凝土构件,应使用能达到设计效果的模板。

检查数量:全数检查。

检验方法:观察。检查土层密实度检测报告、土层承载力验算或现场检测报告。

三、一般项目

4.2.5 模板安装:符合下列规定:

1 模板的接缝应严密;

2 模板内不应有杂物、积水或冰雪等;

3 模板与混凝土的接触面应平整、清洁;

4 用作模板的地坪、胎膜等应平整、清洁,不应有影响构件质量的下沉、裂缝、起砂或起鼓;

5 对清水混凝土及装饰混凝土构件,应使用能达到设计效果的模板。。

检查数量:全数检查。

检验方法:观察。

4.2.6 隔离剂的品种和涂刷方法应符合施工方案的要求。脱模剂不得影响结构性能及装饰施工;不得沾污钢筋、预应力筋、预埋件和混凝土接槎处;不得对环境造成污染。

检查数量:全数检查。

检验方法:检查质量证明文件;观察。

4.2.7 模板的起拱高度:符合现行国家标准《混凝土结构工程施工规范》GB50666的规定,并应符合设计及施工方案的要求。

检查数量:在同一检验批内,对梁,跨度大于18m时应全数检查,跨度不大于18m时应抽查构件数量的10%,且不应少于3件;对板,应按有代表性的自然间抽查10%,且不应少于3间;对大空间结构,板可按纵、横轴线划分检查面,抽查10%,且不应少于3面。

检验方法:水准仪或尺量。

4.2.8 现浇混凝土结构多层连续支模应符合施工方案的规定。上下层模板支架的竖杆宜对准。竖杆下垫板的设置应符合施工方案的要求。

检查数量:全数检查。

检验方法:观察。

4.2.9 固定在模板上的预埋件和预留孔洞不得遗漏,且应安装牢固。有抗渗要求的混凝土结构中的预埋件,应按设计及施工方案的要求采取防渗措施。

预埋件和预留孔洞的位置应满足设计和施工方案的要求。当设计无具体要求时,其位置偏差应符合表4.2.9的规定。

检查数量:在同一检验批内,对梁、柱和独立基础,应抽查构件数量的10%,且不应少于3件;对墙和板,应按有代表性的自然间抽查10%,且不应少于3间;对大空间结构墙可按相邻轴线间高度5m左右划分检查面,板可按纵、横轴线划分检查面,抽查10%,且均不应少于3面。

检查方法:观察,尺量。

4.2.9预埋件和预留孔洞的安装允许偏差

项    目

允许偏差(mm)

预埋钢板中心线位置

3

预埋管、预留孔中心线位置

3

插筋

中心线位置

5

外露长度

+10,0

预埋螺栓

中心线位置

2

外露长度

+10,0

预留洞

中心线位置

10

尺寸

+10,0

注:检查中心线位置时,沿纵、横两个方向量测,并取其中偏差的较大值。

4.2.10 现浇结构模板安装的尺寸偏差及检验方法应符合表4.2.10的规定。

检查数量:在同一检验批内,对梁、柱和独立基础,应抽查构件数量的10%,且不应少于3件;对墙和板,应按有代表性的自然间抽查10%,且不应少于3间;对大空间结构,墙可按相邻轴线间高度5m左右划分检查面,板可按纵、横轴线划分检查面,抽查10%,且均不应少于3面。

4.2.10现浇结构模板安装的允许偏差及检验方法

项目

允许偏差(mm)

检验方法

轴线位置

5

尺量

底模上表面标高

±5

水准仪或拉线、尺量

模板内部尺寸

基础

±10

尺量

柱、墙、梁

±5

楼梯相邻踏步高差

5

柱、墙

垂直度

层高≤6m

8

经纬仪或吊线、尺量

层高>6m

10

相邻两块模板表面高差

2

尺量

表面平整度

5

2m靠尺和塞尺量测

注:检查中心线位置,当有纵、横两个方向时,沿沿纵、横两个方向量测,并取其中偏差的较大值。

4.2.11 预制构件模板安装的偏差及检验方法应符合表4.2.11的规定。

检查数量:首次使用及大修后的模板应全数检查;使用中的模板应抽查10%,且不应少于5件,不足5件时应全数检查。

4.2.11预制构件模板安装的允许偏差及检验方法

项     目

允许偏差(mm)

检验方法

长度

梁、板

±4

尺量两侧边,取其中较大值

薄腹梁、衍架

±8

0,-10

墙板

0,-5

宽度

板、墙板

0,-5

尺量两端及中部,取其中较大值

梁、薄腹梁、衍架

+2,-5

高(厚)度

+2,-3

尺量两端及中部,取其中较大值

墙板

0,-5

梁、薄腹梁、衍架、柱

+2,-5

侧向弯曲

梁、板、柱

L/1000且≤15

拉线、尺量最大弯曲处

墙板、薄腹梁、衍架

L/1500且≤15

板的表面平整度

3

2m靠尺和塞尺量测

相邻模板表面高差

1

尺量

对角线差

7

尺量量对角线

墙板

5

翘曲

板、墙板

L/1500

水平尺在两端量测

设计起拱

薄腹梁、衍架、梁

±3

拉线、尺量跨中

注:L为构件长度(mm)。 

示例